Hızlı Ölçümlendirme

Ölçümlendirmeleri, aralarında eşit aralık bırakacak ve kolay okunmasını sağlayacak şekilde yerleştirmek için hızlı ölçümlendirme seçiciyi kullanabilirsiniz.

Teknik resim görünümlerine ölçümlendirmeler eklerken, hızlı ölçümlendirme seçicisi görüntülenir. Ölçümlendirmeleri eşit aralıklarla yerleştirmek için manipülatörü kullanın. Örneğin, iki ölçümlendirme arasına bir ölçümlendirme eklerseniz, yeni ölçümlendirme bunlar arasına eşit şekilde yerleştirilir.

Ölçümlendirmeleri hızla yerleştirmek için hızlı ölçümlendirme seçicisini kullanın.

Hızlı ölçümlendirmenin kullandığı aralığı Araçlar > Seçenekler > Belge Özellikleri > Ölçümlendirmeler 'de Öteleme uzaklıkları altından kontrol edebilirsiniz.

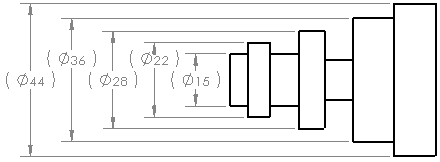
Hızlı ölçümlendirme seçicisi simetrik merkez çizgisinde ölçümlendirmeler oluşturduğunda, üst üste binebilecek ölçümlendirmeler ANSI standardındaki teknik resimler için kademelendirilir.

Hızlı ölçümlendirme seçiciyi devre dışı bırakmak için Ölçümlendirme PropertyManager'da, Ölçümlendirme Yardım Araçları altında Hızlı ölçümlendirme seçeneğinin işaretini kaldırın. Bu ayar diğer oturumlarda da korunur.

Hızlı ölçümlendirme seçici etkin olduğunda, ESC tuşuna basarak kapatabilirsiniz. ESC tuşuna tekrar bastığınızda Akıllı Ölçümlendirme aracı kapatılır.

Hızlı Ölçümlendirme Seçiciyi Kullanma

Ölçümlendirmeleri, aralarında eşit aralık bırakacak ve kolay okunmasını sağlayacak şekilde yerleştirmek için hızlı ölçümlendirme seçiciyi kullanabilirsiniz.

  1. Bir teknik çizimde, Akıllı Ölçümlendirme (Ölçümlendirmeler/İlişkiler araç çubuğu) veya Araçlar > Ölçümlendirmeler > Akıllı öğesine tıklayın.
  2. Ölçümlendirilecek objeleri seçin.
    Yerleştirilebilecek ölçümlendirme tipine bağlı olarak, hızlı ölçümlendirme seçici şu şekilde görüntülenir: veya .
  3. Manipülatörün bir bölümünü tıklayın. Ayrıca, şunları kullanabilirsiniz:
    • Tab tuşu, farklı manipülatör konumlarına geçiş yapmanızı sağlar
    • Ölçümlendirmeyi model geometrisi dışında uygun bir konuma yerleştirmek için aralık çubuğu
    Ölçümlendirme seçili objenin yanına yerleştirilir. Mevcut ölçümlendirmeler, gerekirse, yeni ölçümlendirmelere yer açmak için taşınır.

Hızlı ölçümlendirme seçiciyi devre dışı bırakmak için Ölçümlendirme PropertyManager'da, Ölçümlendirme Yardım Araçları altında Hızlı ölçümlendirme seçeneğinin işaretini kaldırın. Bu ayar diğer oturumlarda da korunur.

Hızlı ölçümlendirme seçici etkin olduğunda, ESC tuşuna basarak kapatabilirsiniz. ESC tuşuna tekrar bastığınızda Akıllı Ölçümlendirme aracı kapatılır.