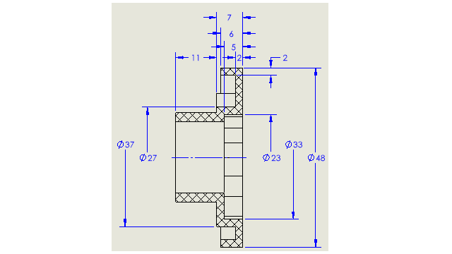
Simetrik Doğrusal Çap Ölçülendirmeleri Bir liderin yalnızca bir tarafının görüntülenmesini gerektiren çap ölçümlendirmeleri için simetrik doğrusal çap ölçülendirmeleri oluşturabilirsiniz. Bu, tornalı bileşenleri ve detaylı kesit görünümleri olan teknik resimler için kullanışlıdır. İçindekiler Simetrik Doğrusal Çap Ölçülendirmeleri Oluşturma Simetrik doğrusal çap ölçülendirmesi tüm teknik resim görünümleri için kullanılabilir ancak bir liderin yalnızca bir tarafına ihtiyaç duyan teknik resim görünümleri için en uygunudur. Ana başlıkTeknik Resimlerde Ölçümlendirmeler