Custom Scale Examples

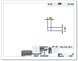
Drawing Sheet Scale 1:1
box1.gif
Custom Scale for Printing 1:1
box1.gif
Printed Output
box1.gif

A 1 inch x 1 inch box prints at the same scale (1 inch x 1 inch).

Drawing Sheet Scale 1:1
box1.gif
Custom Scale for Printing 2:1
box2.gif
Printed Output
box222.gif

A 1 inch x 1 inch box prints as a 2 inch x 2 inch box, even though the dimension values remain the same. (Conversely, if you set the custom scale to 1:2, the box prints at 0.5 inches x 0.5 inches.)

Drawing Sheet Scale 1:2
box3.gif
Custom Scale for Printing 1:1
box44.gif
Printed Output
box333.gif

A 1 inch x 1 inch box prints as a 1 inch x 1 inch box. However, only one-fourth of the drawing sheet prints because the drawing is zoomed in to get the box to the 1:1 scale.

Drawing Sheet Scale D-Landscape 1:1
box4.gif
Custom Scale for Printing A-Landscape 1:1
box44.gif
Printed Output
box333.gif

A 1 inch x 1 inch box prints as a 1 inch x 1 inch box because the drawing sheet scales are the same. However, only one-eighth of the drawing sheet prints because an A-Landscape sheet is one-eighth the size of a D-Landscape sheet.