Cota rápida

Puede utilizar el selector de cotas rápidas para colocar cotas, de modo que estas tengan separaciones uniformes y sean fáciles de leer.

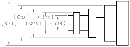
Este selector de cotas rápidas aparece al insertar cotas en vistas de dibujo. Utilice el manipulador para colocar cotas en intervalos con separaciones uniformes. Por ejemplo, si inserta una cota entre dos cotas, la nueva cota es equidistante a ellas.

Utilice el selector de cotas rápidas para colocar cotas rápidamente.

Puede controlar la separación utilizada por la cota rápida en Herramientas > Opciones > Propiedades de documento > Cotas , en Equidistancias.

Cuando el selector de cotas rápidas crea cotas en una línea constructiva simétrica, las cotas que pudieran superponerse se alternan para dibujos en el estándar ANSI.

Para desactivar el selector de cotas rápidas, en el PropertyManager Cota, en Herramientas de asistencia con cotas, desactive Acotación rápida. Esta configuración se mantiene en todas las sesiones.

Para desactivar el selector de cotas rápidas cuando está activado, presione la tecla Esc. Si vuelve a presionar Esc, se cierra la herramienta Cota inteligente.

Utilización del selector de cotas rápidas

Puede utilizar el selector de cotas rápidas para colocar cotas, de modo que estas tengan separaciones uniformes y sean fáciles de leer.

  1. En un dibujo, haga clic en Cota inteligente (barra de herramientas Cotas/Relaciones) o en Herramientas > Cotas > Inteligentes .
  2. Seleccione las entidades para acotar.
    De acuerdo con el tipo de cota que desee colocar, el selector se muestra como: o .
  3. Haga clic en una sección del manipulador. También puede utilizar:
    • La tecla Tab para cambiar a las diferentes ubicaciones del manipulador.
    • La barra espaciadora para colocar la cota en una ubicación adecuada fuera de la geometría del modelo.
    La cota se coloca cerca de la entidad seleccionada. Si es necesario, se mueven las entidades existentes para dejar espacio a las nuevas.

Para desactivar el selector de cotas rápidas, en el PropertyManager Cota, en Herramientas de asistencia con cotas, desactive Acotación rápida. Esta configuración se mantiene en todas las sesiones.

Para desactivar el selector de cotas rápidas cuando está activado, presione la tecla Esc. Si vuelve a presionar Esc, se cierra la herramienta Cota inteligente.