隐藏目录

快速标注尺寸

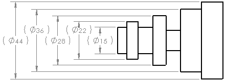
您可以使用快速尺寸操纵杆来放置尺寸,以便使它们均匀分布并方便查看。

在工程图视图中插入尺寸时,快速尺寸操纵杆即会出现。该操纵杆可用于以均匀的间距来放置尺寸。例如,如果您需要在两个尺寸之间插入一个尺寸,则这个新尺寸将与原来的两个尺寸保持相同的间距。

使用快速尺寸操纵杆可快速放置尺寸。

您可以在工具 > 选项 > 文档属性 > 尺寸 的快速标注尺寸中,使用等距距离来控制间距。

如果快速尺寸操纵杆在对称中心线上生成了尺寸,那么,对于使用 ANSI 标准的工程图,所有可能重叠的尺寸将会交错显示。


提供对该主题的反馈

SOLIDWORKS 欢迎您对此文档的外观、准确性及完整性提供反馈。请使用以下表格,将您对该主题的评论和建议直接发送给我们的文档团队。文档团队不能回答技术支持问题。单击此处获取有关技术支持的信息

* 必填

 
*电子邮件:  
主题:   对帮助主题的反馈
页面:   快速标注尺寸
*评论:  
*   本人确认已阅读并且接受 Dassault Systèmes 按照《隐私政策》使用本人的个人数据

打印主题

选择要打印的内容范围:

x

我们检测到您在使用旧于 Internet Explorer 7 的浏览器版本。为优化显示,我们建议您将您的浏览器升级到 Internet Explorer 7 或以上。

 永不再显示此信息
x

Web 帮助内容版本:SOLIDWORKS 2010 SP05

要从 SOLIDWORKS 中禁用 Web 帮助并使用本地帮助,请单击帮助 > 使用 SOLIDWORKS Web 帮助

要报告在 Web 帮助界面和搜索中所遇到的问题,请联系您的当地支持代表。要提供单个帮助主题的反馈,请使用单个主题页面上的“对该主题的反馈”链接。