図面の自動寸法(Autodimension a drawing)
自動寸法(Autodimension)ツールを使用して、図面ビューに基準線、チェーンおよび累進寸法として参照寸法を挿入することができます。自動寸法(Autodimension)ツールはスケッチでも同様に機能します。
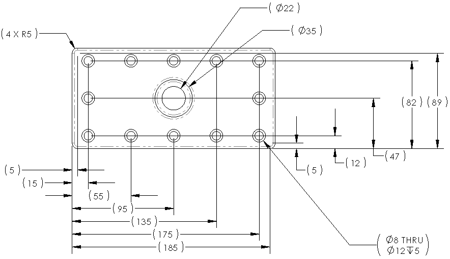
基準線寸法を表しています:

図面に寸法を自動的に入力するには:
-
図面ドキュメントで、寸法/拘束 ツールバーのスマート寸法
(Smart Dimension ) をクリックします。
-
自動寸法Autodimension(Autodimension) タブを選択します。
-
自動寸法 PropertyManagerでプロパティを設定し、次にOK
をクリックします。