Jeśli wymiary uległy zmianie od ostatniego zapisania rysunku, po jego otwarciu zmienione wymiary są wyróżnione. Aby zobaczyć zmienione wymiary, najpierw należy zapisać w oprogramowaniu SolidWorks wersji 2012 lub nowszej część lub złożenie oraz rysunek. Po zapisaniu i zamknięciu rysunku ze zmienionymi wymiarami, ich wyróżnienie jest resetowane.
 |
 |
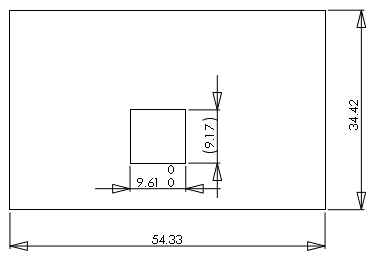
Przed zmianami |
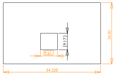
Po zmianach |
Kiedy wyróżnianie jest włączone, w rysunkach wyróżniane są następujące zmiany:
- Zmiany modelu, które powodują zmianę wartości bazowych liczb
- Zaimportowane wymiary, kiedy typ lub wartość tolerancji zostały zmienione w modelu
- Zaimportowane wymiary, jeśli występuje zmiana w opcjach Dodaj nawiasy lub Wymiar kontrolny
- Zaimportowane wymiary, jeśli występuje zmiana w opcjach Tekst wymiaru (domyślnie <DIM>)
Aby korzystać z funkcji wyróżniania, konieczne jest wcześniejsze zapisanie części lub złożenia oraz skojarzonych rysunków w oprogramowaniu SolidWorks wersji 2012 lub nowszej. Wyróżnienie zmian pojawi się po ponownym otwarciu rysunku. Po zatrzymaniu wskaźnika nad zmienionym wymiarem pojawi się etykietka z poprzednim wymiarem.

|
Zmienione wymiary
|

|
Zmieniona tolerancja
|