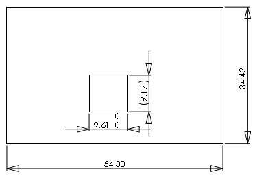
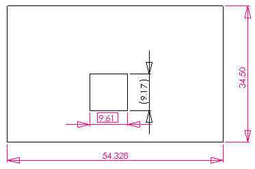
Jeśli wymiary uległy zmianie od ostatniego zapisania rysunku, po jego otwarciu zmienione wymiary są wyróżnione. Aby zobaczyć zmienione wymiary, najpierw należy zapisać w oprogramowaniu SolidWorks część lub złożenie oraz rysunek. Po zapisaniu rysunku ze zmienionymi wymiarami ich wyróżnienie jest resetowane.

|

|
Przed zmianami
|
Po zmianach
|