Автонанесение размеров в чертеже
Можно использовать инструмент Авто-нанесение размеров для вставки справочных размеров в чертежные виды как размеров базовой линии, цепочки размеров и ординатных размеров. Инструмент Авто-нанесение размеров похожим образом работает в эскизах.
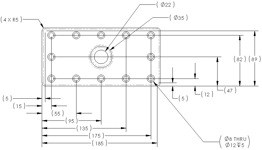
Ниже показана схема базовых размеров:

Чтобы выполнить авто-нанесение размеров в чертеже:
-
В чертежном документе выберите Автонанесение размеров
на панели инструментов Размеры/Взаимосвязи.
-
Выберите вкладку Авто-нанесение размеров.
-
Установите свойства в окне PropertyManager Автонанесение размеров, затем нажмите кнопку OK
.