 |
 |
 Прямоугольник размером 1 x 1 дюйм распечатывается как прямоугольник размером 2 x 2 дюйма, даже если значения размеров остаются неизменными. (И наоборот, если настроить масштаб 1:2, прямоугольник будет распечатан размером 0,5 x 0,5 дюйма.)
|
 |
 |
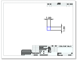
 Прямоугольник размером 1 x 1 дюйм распечатывается как прямоугольник размером 1 x 1 дюйм. Однако, будет распечатана только одна четверть листа чертежа, так как масштаб чертежа увеличивается, чтобы установить для прямоугольника масштаб 1:1.
|
 |
 |
 Прямоугольник размером 1 x 1 дюйм распечатывается как прямоугольник размером 1 x 1 дюйм, потому что листы чертежа имеют одинаковый масштаб. Однако, будет распечатана только одна восьмая листа чертежа, потому что размер листа A-Альбомная составляет одну восьмую размера листа D-Альбомная.
|