Mensajes de error posibles
- El croquis no ha sido actualizado porque si se solucionara se obtendría una geometría no válida (como una línea de longitud cero). Considere:
- Eliminar la geometría no válida.
- Cambiar las relaciones o las cotas para eliminar la geometría no válida.
Explicaciones posibles para estos mensajes de error
Elementos no válidos
|
La geometría del croquis no puede determinar la posición de una o más entidades de croquis.
|
Elementos no solucionables
|
La geometría del croquis no sería geométricamente válida si se solucionara el croquis.
|
Para configurar el color de estos elementos, haga clic en . Para el color del croquis no válido, seleccione Croquis, Geometría inválida en Colores de sistema. Para el color del croquis no solucionable, seleccione Croquis, No solucionado. Haga clic en Editar, seleccione un color y, a continuación, haga clic en Aceptar.
Ejemplo de geometría no válida
|
 |
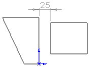
Croquis originales con una cota válida |
 |
La cota hace referencia a una entidad de croquis que no es válida para esta cota. El elemento del croquis no válido se muestra en rojo.
La cota crea un croquis no válido porque crea una línea de longitud cero.
|
 |
Solución posible 1:
Croquis solucionado arrastrando la línea de cota de la cota hasta una entidad válida para esta cota.
|
 |
Solución posible 2:
Croquis solucionado mediante el cambio de la cota inferior a un valor > 25, para que la línea horizontal inferior no tenga una longitud cero.
|
Ejemplo de geometría no solucionable |
 |
Croquis original |
 |
La cota de 100 crea un croquis no solucionable porque no es posible que esa cota exceda el total de los otros dos lados del triángulo. El croquis no solucionable se muestra en color amarillo.
|
 |
Posibles soluciones:
Croquis solucionado cambiando la cota a un valor de cota solucionable.
|
Posibles soluciones
- Arrastre para cambiar la ubicación de la cota a una entidad válida.
- Elimine cotas o relaciones.
- Elimine geometría no válida.
- Edite otros valores de cota o geometría para que no haya conflictos.