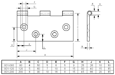
Se un documento di modello usa una tabella dati per generare diverse configurazioni, è possibile visualizzare la tabella in un disegno del suddetto modello. Ciò consente di rappresentare tutte le configurazioni con un solo disegno.
È possibile assegnare alle quote nomi composti da alcune lettere o da un'abbreviazione del nome completo della quota. Ad esempio, anziché utilizzare il nome D1@BaseExtrude, è possibile assegnare il nome A o spessore da usare nell'intestazione di colonna nella tabella e visualizzare tale etichetta al posto del valore della quota nella vista di disegno.
Ciò illustra come una tabella dati e le quote da essa controllate appaiono in un disegno.
