Expand IntroduçãoIntrodução
Expand AdministraçãoAdministração
Expand Interface do usuárioInterface do usuário
Expand Fundamentos do SolidWorksFundamentos do SolidWorks
Expand Mudando de 2D para 3DMudando de 2D para 3D
Expand MontagensMontagens
Expand CircuitWorksCircuitWorks
Expand ConfiguraçõesConfigurações
Expand SolidWorks CostingSolidWorks Costing
Expand Design CheckerDesign Checker
Expand Estudos de Projeto no SolidWorksEstudos de Projeto no SolidWorks
Collapse Detalhamento e desenhosDetalhamento e desenhos
Visão geral do detalhamento
Definir opções de detalhamento
Itens do modelo
PropertyManager de Itens do modelo
Expand Marcações eDrawingsMarcações eDrawings
Expand EstiloEstilo
Adicionar ou atualizar um estilo .
Expand AnotaçõesAnotações
Expand TabelasTabelas
Expand Lista de materiais (BOM)Lista de materiais (BOM)
Expand Padrões de desenhoPadrões de desenho
Expand Configurações de impressãoConfigurações de impressão
Collapse DesenhosDesenhos
Expand DFMXpressDFMXpress
Expand DriveWorksXpressDriveWorksXpress
Expand FloXpressFloXpress
Expand Importar e exportarImportar e exportar
Expand Exibição de modeloExibição de modelo
Expand Projeto de moldesProjeto de moldes
Expand Estudos de movimentoEstudos de movimento
Expand Peças e recursosPeças e recursos
Expand RotaRota
Expand Chapa metálicaChapa metálica
Expand SimulaçãoSimulação
Expand SimulationXpressSimulationXpress
Expand Geração de esboçoGeração de esboço
Expand Produtos Sustainability Produtos Sustainability
Expand SolidWorks UtilitiesSolidWorks Utilities
Expand TolerancingTolerancing
Expand TolAnalystTolAnalyst
Expand ToolboxToolbox
Expand SoldagensSoldagens
Expand Workgroup PDMWorkgroup PDM
Expand Solução de problemasSolução de problemas
Glossário
Ocultar Sumário

Dimensão rápida

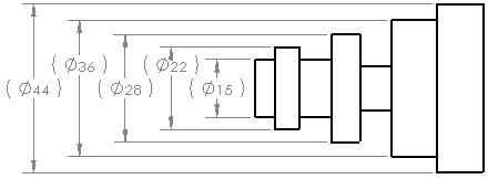
Você pode usar o manipulador de dimensão rápida para colocar dimensões, de forma que elas sejam espaçadas uniformemente e mais fáceis de ler.

O manipulador de dimensão rápida aparece quando você insere dimensões em vistas de desenho. Use o manipulator para colocar dimensões em intervalos uniformemente espaçados. Por exemplo, se você inserir uma dimensão entre duas dimensões, a nova dimensão será espaçada uniformemente entre elas.

Use o manipulador Dimensão rápida para inserir dimensões rapidamente.

Você pode controlar o espaçamento usado por dimensão rápida em Ferramentas > Opções > Propriedades do documento > Dimensões em Distâncias de offset.

Quando o manipulador de dimensão rápida cria dimensões em uma linha de centro simétrica, as dimensões que podem se sobrepor são posicionadas em zigue-zague para desenhos no padrão ANSI.

Para desativar o manipulador de dimensão rápida, no PropertyManager de Dimensão, em Ferramentas de assistência para dimensões, desmarque Dimensionamento rápido. Essa configuração persiste entre sessões.

Quando o manipulador de dimensão rápida está ativado, você pode fechá-lo pressionando ESC. Pressionar ESC novamente fecha a ferramenta Dimensão inteligente.

Uso do manipulador Dimensão rápida

Você pode usar o manipulador de dimensão rápida para colocar dimensões, de forma que elas sejam espaçadas uniformemente e mais fáceis de ler.

  1. Dimensão inteligenteDimensão inteligente (barra de ferramentas Dimensões/Relações) ou em Ferramentas > Dimensões > Inteligente .
  2. Selecione as entidades para a dimensão.

    Dependendo do tipo de dimensão que pode ser inserido, o manipulador aparece como: ou .

  3. Clique em uma parte do manipulador. Você pode também usar a:
    • Tecla Tab para mudar para os vários locais do manipulador
    • barra de espaços para colocar a dimensão em um local apropriado fora da geometria do modelo

    A dimensão é colocada próxima à entidade selecionada. Se necessário, as dimensões existentes são movidas para abrir espaço para a nova dimensão.

Para desativar o manipulador de dimensão rápida, no PropertyManager de Dimensão, em Ferramentas de assistência para dimensões, desmarque Dimensionamento rápido. Essa configuração persiste entre sessões.

Quando o manipulador de dimensão rápida está ativado, você pode fechá-lo pressionando ESC. Pressionar ESC novamente fecha a ferramenta Dimensão inteligente.


Envie-nos seus comentários sobre este tópico

O SOLIDWORKS agradece seu feedback sobre a apresentação, precisão e nível de detalhe da documentação. Use o formulário abaixo para enviar comentários e sugestões sobre este tópico diretamente à equipe responsável pela documentação. Esta equipe não responde a perguntas de suporte técnico. Clique aqui para ver informações específicas do suporte técnico.

* Obrigatório

 
*E-mail:  
Assunto:   Comentários sobre os tópicos da Ajuda
Página:   Dimensão rápida
*Comentário:  
*   Eu reconheço que li e aceito, por meio deste, a política de privacidade segundo a qual meus Dados pessoais serão usados pela Dassault Systèmes

Imprimir tópico

Selecione o escopo do conteúdo a imprimir:

x

Foi detectada uma versão de navegador anterior ao Internet Explorer 7. Para uma exibição otimizada, sugerimos a atualização para o Internet Explorer 7 ou posterior.

 Não mostrar essa mensagem novamente
x

Versão do conteúdo de ajuda on-line: SOLIDWORKS 2014 SP05

Para desativar a Ajuda online no SOLIDWORKS e usar a Ajuda local, clique em Ajuda > Usar Ajuda on-line do SOLIDWORKS.

Para relatar problemas encontrados na interface e na pesquisa da Ajuda on-line, consulte seu representante de suporte local. Para fornecer comentários sobre tópicos individuais da Ajuda, use o link “Comentários sobre este tópico” na página do tópico individual.