Expand IntroduçãoIntrodução
Expand AdministraçãoAdministração
Expand Interface do usuárioInterface do usuário
Collapse Fundamentos do SolidWorksFundamentos do SolidWorks
Expand Mudando de 2D para 3DMudando de 2D para 3D
Expand MontagensMontagens
Expand CircuitWorksCircuitWorks
Expand ConfiguraçõesConfigurações
Expand SolidWorks CostingSolidWorks Costing
Expand Design CheckerDesign Checker
Expand Estudos de Projeto no SolidWorksEstudos de Projeto no SolidWorks
Expand Detalhamento e desenhosDetalhamento e desenhos
Expand DFMXpressDFMXpress
Expand DriveWorksXpressDriveWorksXpress
Expand FloXpressFloXpress
Expand Importar e exportarImportar e exportar
Expand Exibição de modeloExibição de modelo
Expand Projeto de moldesProjeto de moldes
Expand Estudos de movimentoEstudos de movimento
Expand Peças e recursosPeças e recursos
Expand RotaRota
Expand Chapa metálicaChapa metálica
Expand SimulaçãoSimulação
Expand SimulationXpressSimulationXpress
Expand Geração de esboçoGeração de esboço
Expand Produtos Sustainability Produtos Sustainability
Expand SolidWorks UtilitiesSolidWorks Utilities
Expand TolerancingTolerancing
Expand TolAnalystTolAnalyst
Expand ToolboxToolbox
Expand SoldagensSoldagens
Expand Workgroup PDMWorkgroup PDM
Expand Solução de problemasSolução de problemas
Glossário
Ocultar Sumário

Exemplos de escala personalizada

Escala da folha de desenho 1:1
box1.gif
Escala personalizada para impressão 1:1
box1.gif
Resultado impresso
box1.gif

Uma caixa de 1 polegada x 1 polegada é impressa na mesma escala (1 polegada x 1 polegada).

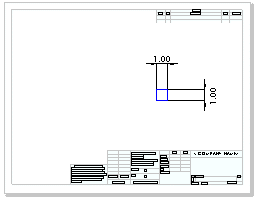
Escala da folha de desenho 1:1
box1.gif
Escala personalizada para impressão 2:1
box2.gif
Resultado impresso
box222.gif

Uma caixa de 1 polegada x 1 polegada é impressa como uma caixa de 2 polegadas x 2 polegadas, embora os valores de dimensão permaneçam os mesmos (de maneira inversa, se você definir a escala personalizada como 1:2, a caixa será impressa em 0,5 polegada x 0,5 polegada).

Escala da folha de desenho 1:2
box3.gif
Escala personalizada para impressão 1:1
box44.gif
Resultado impresso
box333.gif

Uma caixa de 1 polegada x 1 polegada é impressa como uma caixa de 1 polegada x 1 polegada. Entretanto, somente um quarto da folha de desenho é impresso porque é aplicado zoom ao desenho para que a caixa fique na escala 1:1.

Escala da folha de desenho D-Paisagem 1:1
box4.gif
Escala personalizada para impressão A-Paisagem 1:1
box44.gif
Resultado impresso
box333.gif

Uma caixa de 1 polegada x 1 polegada é impressa como uma caixa de 1 polegada x 1 polegada porque as escalas da folha de desenho são as mesmas. Entretanto, apenas um oitavo da folha de desenho é impresso porque uma folha A-Paisagem é um oitavo do tamanho de uma folha D-Paisagem.



Envie-nos seus comentários sobre este tópico

O SOLIDWORKS agradece seu feedback sobre a apresentação, precisão e nível de detalhe da documentação. Use o formulário abaixo para enviar comentários e sugestões sobre este tópico diretamente à equipe responsável pela documentação. Esta equipe não responde a perguntas de suporte técnico. Clique aqui para ver informações específicas do suporte técnico.

* Obrigatório

 
*E-mail:  
Assunto:   Comentários sobre os tópicos da Ajuda
Página:   Exemplos de escala personalizada
*Comentário:  
*   Eu reconheço que li e aceito, por meio deste, a política de privacidade segundo a qual meus Dados pessoais serão usados pela Dassault Systèmes

Imprimir tópico

Selecione o escopo do conteúdo a imprimir:

x

Foi detectada uma versão de navegador anterior ao Internet Explorer 7. Para uma exibição otimizada, sugerimos a atualização para o Internet Explorer 7 ou posterior.

 Não mostrar essa mensagem novamente
x

Versão do conteúdo de ajuda on-line: SOLIDWORKS 2014 SP05

Para desativar a Ajuda online no SOLIDWORKS e usar a Ajuda local, clique em Ajuda > Usar Ajuda on-line do SOLIDWORKS.

Para relatar problemas encontrados na interface e na pesquisa da Ajuda on-line, consulte seu representante de suporte local. Para fornecer comentários sobre tópicos individuais da Ajuda, use o link “Comentários sobre este tópico” na página do tópico individual.