Измененные размеры подсвечиваются при открытии чертежа, если со времени последнего сохранения чертежа они изменялись. Для просмотра измененных размеров необходимо, чтобы деталь или сборка и чертеж были сохранены в SolidWorks 2012 или более поздней версии. После сохранения и закрытия чертежа с измененными размерами выделение измененных размеров сбрасывается.
 |
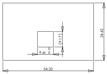
До изменения |
 |
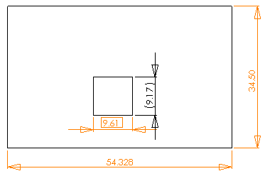
После изменения |
При включенной подсветке на чертежах выделяются следующие изменения:
- Изменения модели, в результате которых изменились базовые числовые значения
- Импортированные размеры, в которых для модели изменились тип или значение допуска
- Импортированные размеры, в которых изменились параметры Добавить скобки или Размер для осмотра
- Импортированные размеры, в которых изменился Текст размера (<DIM> по умолчанию)
Чтобы воспользоваться функцией подсветки, необходимо сначала сохранить деталь или сборку и соответствующие чертежи в SolidWorks 2012 или более поздней версии. После повторного открытия чертежа будут отображаться подсвеченные изменения. При наведении курсора на измененный размер во всплывающей подсказке отображается предшествующий размер.

|
Измененные размеры
|

|
Измененный допуск
|