Vous pouvez utiliser l'outil Cotation automatique pour insérer des cotes de référence dans les vues de mise en plan comme cotes de ligne de base, cotes en chaîne ou ordinales. L'outil Cotation automatique fonctionne de façon similaire dans les esquisses.
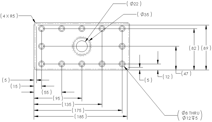
Un schéma de cotation des lignes de base est montré ci-dessous:
