Expand IntroductionIntroduction
Expand AdministrationAdministration
Expand Interface utilisateurInterface utilisateur
Collapse Fonctions de base de SolidWorksFonctions de base de SolidWorks
Expand Migrer de la 2D à la 3DMigrer de la 2D à la 3D
Expand AssemblagesAssemblages
Expand CircuitWorksCircuitWorks
Expand ConfigurationsConfigurations
Expand SolidWorks CostingSolidWorks Costing
Expand Design CheckerDesign Checker
Expand Etudes de conception dans SolidWorksEtudes de conception dans SolidWorks
Expand Habillage et mises en planHabillage et mises en plan
Expand DFMXpressDFMXpress
Expand DriveWorksXpressDriveWorksXpress
Expand FloXpressFloXpress
Expand Opérations d'import et d'exportOpérations d'import et d'export
Expand Affichage du modèleAffichage du modèle
Expand Conception de moulesConception de moules
Expand Etudes de mouvementEtudes de mouvement
Expand Pièces et fonctionsPièces et fonctions
Expand RoutageRoutage
Expand TôlerieTôlerie
Expand SimulationSimulation
Expand SimulationXpressSimulationXpress
Expand EsquisseEsquisse
Expand Produits SustainabilityProduits Sustainability
Expand SolidWorks UtilitiesSolidWorks Utilities
Expand TolerancingTolerancing
Expand TolAnalystTolAnalyst
Expand ToolboxToolbox
Expand Constructions soudéesConstructions soudées
Expand Workgroup PDMWorkgroup PDM
Expand DépannageDépannage
Glossaire
Masquer le sommaire

Exemples d'échelles personnalisées

Echelle de la feuille de mise en plan 1:1
box1.gif
Echelle personnalisée pour l'impression 1:1
box1.gif
Résultat de l'impression
box1.gif

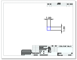
Un carré de 1 pouce X 1 pouce est imprimé à la même échelle (1 pouce x 1 pouce).

Echelle de la feuille de mise en plan 1:1
box1.gif
Echelle personnalisée pour l'impression 2:1
box2.gif
Résultat de l'impression
box222.gif

Un carré de 1 pouce x 1 pouce est imprimé comme un carré de 2 pouces x 2 pouces, même si les valeurs des cotes restent les mêmes. (et inversement, si vous réglez l'échelle personnalisée sur 1:2, le carré est imprimé avec les dimensions 0,5 pouces X 0,5 pouces).

Echelle de la feuille de mise en plan 1:2
box3.gif
Echelle personnalisée pour l'impression 1:1
box44.gif
Résultat de l'impression
box333.gif

Un carré de 1 pouce X 1 pouce est imprimé à la même échelle (1 pouce x 1 pouce). Cependant, seulement 1/4 de la feuille de mise en plan est imprimée parce qu'un zoom est effectué sur la mise en plan pour obtenir un carré à l'échelle 1:1.

Echelle de la feuille de mise en plan D - Paysage 1:1
box4.gif
Echelle personnalisée pour l'impression A - Paysage 1:1
box44.gif
Résultat de l'impression
box333.gif

Un carré de 1 pouce x 1 pouce est imprimé comme un carré de 1 pouce x 1 pouce, puisque les échelles de la feuille de mise en plan sont identiques. Cependant, seulement 1/8 de la feuille de mise en plan est imprimé parce que la taille d'une feuille A - Paysage équivaut à 1/8 fois la taille d'une feuille D - Paysage.



Faire un commentaire sur cette rubrique

Tous les commentaires concernant la présentation, l'exactitude et l'exhaustivité de la documentation sont les bienvenus. Utilisez le formulaire ci-dessous pour faire parvenir vos commentaires et suggestions directement à notre équipe de documentation. Celle-ci ne peut pas répondre aux questions de support technique. Cliquez ici pour des informations sur le support technique.

* Requis

 
*Courriel:  
Sujet:   Commentaires sur les rubriques d'aide
Page:   Exemples d'échelles personnalisées
*Commentaire:  
*   Je reconnais avoir pris connaissance et accepter par la présente la politique de confidentialité en vertu de laquelle mes données personnelles seront utilisées par Dassault Systèmes

Rubrique d'impression

Sélectionner l'étendue du contenu à imprimer :

x

La version du navigateur que vous utilisez est antérieure à Internet Explorer 7. Afin d'optimiser l'affichage, nous suggérons d'utiliser Internet Explorer 7 ou une version ultérieure.

 Ne plus afficher ce message
x

Version du contenu de l'aide sur le Web: SOLIDWORKS 2014 SP05

Pour désactiver l'aide sur le Web dans SOLIDWORKS et utiliser l'aide locale à la place, cliquez sur ? > Utiliser l'aide sur le Web de SOLIDWORKS.

Pour signaler tout problème rencontré avec l'interface ou la fonctionnalité de recherche de l'aide sur le Web, contactez votre support technique local. Pour faire part de vos commentaires sur des rubriques d'aide individuelles, utilisez le lien “Commentaires sur cette rubrique” sur la page de la rubrique concernée.