Expand ВведениеВведение
Expand АдминистрацияАдминистрация
Expand Интерфейс пользователяИнтерфейс пользователя
Expand Основные принципы SolidWorksОсновные принципы SolidWorks
Expand Переход из  2D в 3DПереход из 2D в 3D
Expand СборкиСборки
Expand CircuitWorksCircuitWorks
Expand КонфигурацииКонфигурации
Expand SolidWorks CostingSolidWorks Costing
Expand Design CheckerDesign Checker
Expand Исследования проектирования в SolidWorksИсследования проектирования в SolidWorks
Collapse Чертежи и оформлениеЧертежи и оформление
Оформление - Обзор
Настройка параметров оформления
Элементы модели
PropertyManager Элементы модели
Expand eDrawings Элементы рецензированияeDrawings Элементы рецензирования
Expand СтильСтиль
Добавить или обновить стиль
Expand ПримечанияПримечания
Expand ТаблицыТаблицы
Expand СпецификацияСпецификация
Expand Чертежные стандартыЧертежные стандарты
Expand Настройки печатиНастройки печати
Collapse ЧертежиЧертежи
Expand Чертежи - ВведениеЧертежи - Введение
Expand Типы документов чертежейТипы документов чертежей
Expand Стандартные чертежные видыСтандартные чертежные виды
Expand Производные чертежные видыПроизводные чертежные виды
PropertyManager Множественные виды
PropertyManager "Преобразовать вид в эскиз"
Expand Отображение и выравнивание чертежного видаОтображение и выравнивание чертежного вида
DrawCompare (Сравнение чертежей)
Статистика чертежа
Распечатка чертежей
Отправить сообщение
Expand Управление блоками заголовковУправление блоками заголовков
Collapse Размеры в чертежахРазмеры в чертежах
Форматирование размеров в чертежах
Параметры отображения размеров
Отобразить/Скрыть примечания
Expand Подсветка измененных размеровПодсветка измененных размеров
Вставка размеров в чертежи
Тип размера
Свойства документа - Размеры
PropertyManager Размер - Дополнительно
PropertyManager Значение размера
Точность размера
Expand Выравнивание размеров и заметокВыравнивание размеров и заметок
Найти равные
Быстрый размер
Expand Автонанесение размеров в чертежеАвтонанесение размеров в чертеже
DimXpert
PropertyManager Размер
Добавление в чертежи параллельных размеров
Справочные размеры
Справочный параметр центра тяжести в чертежах
Использование скобок для определенного размера
Размеры базовой линии
Expand Ординатные размерыОрдинатные размеры
Expand Смежные угловые размерыСмежные угловые размеры
Размеры фаски
Expand Допуск и точностьДопуск и точность
Перемещение и копирование размеров
Изменить размер
Удаление размеров
Expand Палитра размеровПалитра размеров
Expand Линии удлинения измеренияЛинии удлинения измерения
Expand Выноски для размеровВыноски для размеров
Пример: Схама типов размеров
Размер до средней точки
Автоматический поиск выносных линий для размеров
Expand DFMXpressDFMXpress
Expand DriveWorksXpressDriveWorksXpress
Expand FloXpressFloXpress
Expand Импорт и экспортИмпорт и экспорт
Expand Отображение моделиОтображение модели
Expand Проектирование литейной формыПроектирование литейной формы
Expand Исследования движенияИсследования движения
Expand Детали и элементыДетали и элементы
Expand МаршрутМаршрут
Expand Листовой металлЛистовой металл
Expand SimulationSimulation
Expand SimulationXpressSimulationXpress
Expand Создание эскизаСоздание эскиза
Expand Продукты Sustainability Продукты Sustainability
Expand SolidWorks UtilitiesSolidWorks Utilities
Expand TolerancingTolerancing
Expand TolAnalystTolAnalyst
Expand ToolboxToolbox
Expand Сварные деталиСварные детали
Expand Workgroup PDMWorkgroup PDM
Expand Устранение неполадокУстранение неполадок
Глоссарий
Скрыть содержание

Быстрый размер

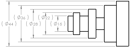
С помощью манипулятора быстрого размера можно нанести размеры с равными интервалами, чтобы их было удобнее считывать.

Манипулятор быстрого размера отображается при вставке размеров в чертежные виды. Используйте его, если требуется равномерно нанести размеры. Например, новый размер, вставленный между двумя другими, будет автоматически расположен посередине.

Используйте манипулятор быстрого размера для эффективного размещения размеров.

Чтобы настроить инструмент быстрого размера, выберите Инструменты > Параметры > Свойства документа > Размеры в разделе Расстояния смещения.

Чтобы избежать наложения при нанесении размеров на симметричную осевую линию с помощью манипулятора быстрого размера, размеры располагаются в шахматном порядке в соответствии со стандартом ANSI.

Чтобы отключить манипулятор быстрого размера, в PropertyManager Размер в разделе Инструменты нанесения размеров очистите параметр Быстрый размер. Эта настройка распространяется на все сессии.

Если манипулятор Быстрого размера включен, его можно отключить, нажав на клавишу ESC. Повторное нажатие клавиши ESC отключает инструмент Автоматическое нанесение размеров.

Использование манипулятора Быстрого размера

С помощью манипулятора быстрого размера можно нанести размеры с равными интервалами, чтобы их было удобнее считывать.

  1. Автоматическое нанесение размеровАвтоматическое нанесение размеров (панель инструментов Размеры/взаимосвязи) или Инструменты > Размеры > Авто .
  2. Выберите объекты для нанесения размеров.

    В зависимости от типа размера, который может быть нанесен, манипулятор быстрого размера отображается как: или .

  3. Выберите манипулятор. Можно воспользоваться:
    • клавишу Tab, чтобы переключаться между разными положениями манипулятора
    • пробелом, чтобы нанести размер за пределами геометрии модели.

    Размер наносится рядом с выбранным объектом. Существующие размеры перемещаются для очищения необходимого места для новых размеров.

Чтобы отключить манипулятор быстрого размера, в PropertyManager Размер в разделе Инструменты нанесения размеров очистите параметр Быстрый размер. Эта настройка распространяется на все сессии.

Если манипулятор Быстрого размера включен, его можно отключить, нажав на клавишу ESC. Повторное нажатие клавиши ESC отключает инструмент Автоматическое нанесение размеров.


Оставьте отзыв об этом разделе

SOLIDWORKS благодарит Вас за отзыв по поводу представления, точности и полноты документации. Воспользуйтесь формой ниже, чтобы отправить свои комментарии и предложения о данном разделе справки в Отдел документации. Отдел документации не предоставляет ответы на вопросы по технической поддержке. Нажмите здесь для получения информации о технической поддержке.

* Обязательно

 
*Электронная почта:  
Тема:   Отзывы по поводу разделов Справки
Страница:   Быстрый размер
*Отзыв:  
*   Я подтверждаю, что прочитал(а) и принимаю положения политики конфиденциальности, в соответствии с которыми Dassault Systèmes будет использовать мои персональные данные.

Печать разделов

Выберите содержимое для печати:

x

Вы используете более раннюю версию браузера, чем Internet Explorer 7. Для оптимизации отображения рекомендуется обновить Ваш браузер до версии Internet Explorer 7 или новее.

 Больше не отображать это сообщение
x

Версия содержимого веб-справки: SOLIDWORKS 2014 SP05

Чтобы отключить веб-справку в программе SOLIDWORKS и использовать локальную версию справки, нажмите Справка > Использовать веб-справку по SOLIDWORKS .

По проблемам, связанным с интерфейсом и поиском по веб-справке, обращайтесь к местному представителю службы поддержки. Чтобы оставить отзыв по отдельным темам справки, воспользуйтесь ссылкой "Отзыв об этом разделе" на странице нужного раздела.