Expand IntroducciónIntroducción
Expand AdministraciónAdministración
Expand Interfaz de usuarioInterfaz de usuario
Expand Conceptos básicos de SolidWorksConceptos básicos de SolidWorks
Expand Migrar de 2D a 3DMigrar de 2D a 3D
Expand EnsamblajesEnsamblajes
Expand CircuitWorksCircuitWorks
Expand ConfiguracionesConfiguraciones
Expand SolidWorks CostingSolidWorks Costing
Expand Design CheckerDesign Checker
Expand Estudios de diseño en SolidWorksEstudios de diseño en SolidWorks
Collapse Dibujos y documentaciónDibujos y documentación
Perspectiva general de documentación
Configurar opciones de documentación
Elementos del modelo
PropertyManager Elementos del modelo
Expand Marcas eDrawingsMarcas eDrawings
Expand EstiloEstilo
Agregar o actualizar un estilo
Expand AnotacionesAnotaciones
Expand TablasTablas
Expand Lista de materiales (LDM)Lista de materiales (LDM)
Expand Estándares de dibujoEstándares de dibujo
Expand Configuración de impresiónConfiguración de impresión
Collapse DibujosDibujos
Expand DFMXpressDFMXpress
Expand DriveWorksXpressDriveWorksXpress
Expand FloXpressFloXpress
Expand Importación y exportaciónImportación y exportación
Expand Visualización de modeloVisualización de modelo
Expand Diseño de moldesDiseño de moldes
Expand Estudios de movimientoEstudios de movimiento
Expand Piezas y operacionesPiezas y operaciones
Expand RoutingRouting
Expand Chapa metálicaChapa metálica
Expand SimulationSimulation
Expand SimulationXpressSimulationXpress
Expand CroquizadoCroquizado
Expand SustainabilitySustainability
Expand SolidWorks UtilitiesSolidWorks Utilities
Expand TolerancingTolerancing
Expand TolAnalystTolAnalyst
Expand ToolboxToolbox
Expand Piezas soldadasPiezas soldadas
Expand Workgroup PDMWorkgroup PDM
Expand Solución de problemasSolución de problemas
Glosario
Ocultar tabla de contenido

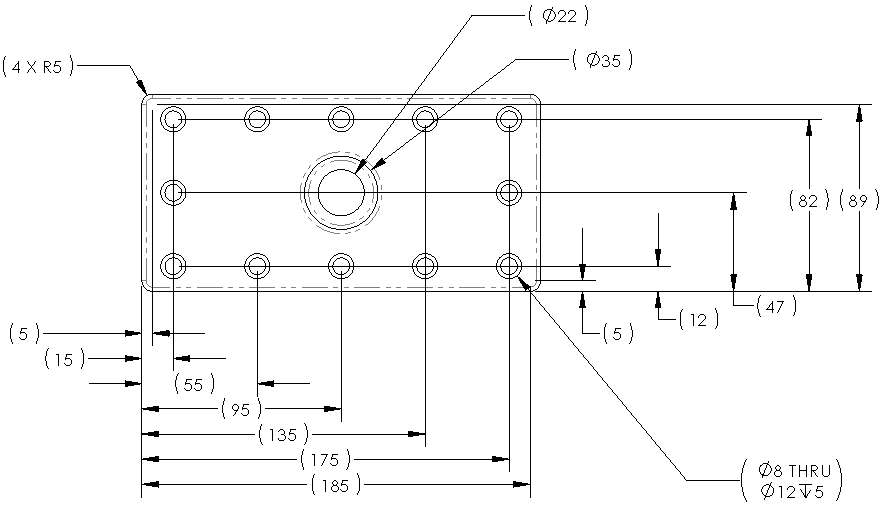
Acotar automáticamente un dibujo

Puede utilizar la herramienta Acotar automáticamente para insertar cotas de referencia en vistas de dibujo como cotas de línea de base, cadena y coordenada. La herramienta Acotar automáticamente funciona de forma similar en croquis.

A continuación, se muestra un esquema de acotación de línea base:
autodim_baseline2.gif



Proporcione comentarios sobre este tema

SOLIDWORKS agradece sus comentarios acerca del formato, la precisión y la rigurosidad de la documentación. Utilice el siguiente formulario para enviar comentarios y sugerencias sobre este tema directamente al equipo de documentación. Nota: el equipo de documentación no puede responder a preguntas técnicas. Haga clic aquí para ver información sobre soporte técnico.

* Obligatorio

 
*Correo electrónico:  
Asunto:   Comentarios sobre los temas de la ayuda
Página:   Acotar automáticamente un dibujo
*Comentario:  
*   Por la presente confirmo que he leído y acepto la política de privacidad en virtud de la cual Dassault Systèmes usará mis Datos personales

Imprimir tema

Seleccione el ámbito del contenido que desee imprimir:

x

Hemos detectado que la versión de su explorador es anterior a Internet Explorer 7. Para una visualización óptima, le recomendamos que actualice a Internet Explorer 7 o versión superior.

 No volver a mostrar este mensaje
x

Versión del contenido de la ayuda web: SOLIDWORKS 2014 SP05

Para desactivar la ayuda web desde SOLIDWORKS y utilizar la ayuda local en su lugar, haga clic en Ayuda > Usar la ayuda web de SOLIDWORKS.

Para informar sobre problemas detectados con la interfaz y la función de búsqueda de la ayuda web, póngase en contacto con el representante local de soporte. Si desea proporcionar comentarios sobre temas individuales, utilice el vínculo “Comentarios sobre este tema” en la página del tema en cuestión.