Hide Table of Contents

Design Tables in Drawings

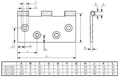
If a model document uses a design table to generate multiple configurations, you can display the table in a drawing of that model. This way, a single drawing can represent all the configurations.

You can label the dimensions with letters or short, descriptive names, instead of using the full dimension names and the values. For example, instead of D1@BaseExtrude, you can use a label such as A or thickness as the column header in the table, and display the label instead of the value of the dimension in the drawing view.

The following illustrates how a design table and the dimensions it controls might appear in a drawing.



Provide feedback on this topic

SOLIDWORKS welcomes your feedback concerning the presentation, accuracy, and thoroughness of the documentation. Use the form below to send your comments and suggestions about this topic directly to our documentation team. The documentation team cannot answer technical support questions. Click here for information about technical support.

* Required

 
*Email:  
Subject:   Feedback on Help Topics
Page:   Design Tables in Drawings
*Comment:  
*   I acknowledge I have read and I hereby accept the privacy policy under which my Personal Data will be used by Dassault Systèmes

Print Topic

Select the scope of content to print:

x

We have detected you are using a browser version older than Internet Explorer 7. For optimized display, we suggest upgrading your browser to Internet Explorer 7 or newer.

 Never show this message again
x

Web Help Content Version: SOLIDWORKS 2015 SP05

To disable Web help from within SOLIDWORKS and use local help instead, click Help > Use SOLIDWORKS Web Help.

To report problems encountered with the Web help interface and search, contact your local support representative. To provide feedback on individual help topics, use the “Feedback on this topic” link on the individual topic page.