Vous pouvez convertir une vue de mise en plan pour esquisser des entités ou un bloc d'entités d'esquisse à l'aide du PropertyManager Convertir la vue en esquisse.
Pour ouvrir ce PropertyManager :
Cliquez avec le bouton droit de la souris dans la vue de mise en plan, puis cliquez sur Convertir la vue en esquisse.
Etat d'affichage
Remplacer la vue par une esquisse |
Remplace la vue de mise en plan par des entités d'esquisse 2D équivalentes.
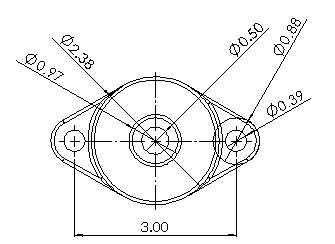
Vue de mise en plan d'origine |
 |
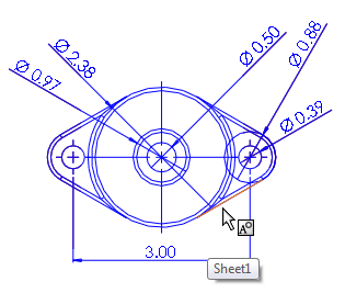
Entités d'esquisse 2D équivalentes |
 |
|
Remplacer la vue par le bloc |
Remplace la vue de mise en plan par des entités d'esquisse 2D équivalentes regroupées dans un bloc.
Vue de mise en plan d'origine |
 |
Bloc avec entités d'esquisse 2D équivalentes |

|
|
Insérer en tant que bloc |
Crée un bloc individuel comprenant des entités d'esquisse 2D équivalentes que vous pouvez placer n'importe où dans la mise en plan.  Dans cet exemple, le bloc de droite est ajouté à la vue de mise en plan, plutôt que de le faire remplacer la vue de mise en plan de gauche.
|
Point d'insertion
Disponible quand vous sélectionnez Remplacez la vue par le bloc ou Insertion en tant que bloc.
Insère un manipulateur de point et la ligne d'attache dans la zone graphique que vous pouvez faire glisser d'une manière indépendante pour positionner le bloc.