Ocultar Sumário

Tabelas de projeto em desenhos

Se o documento de um modelo utiliza uma tabela de projeto para gerar várias configurações, é possível exibir a tabela num desenho do modelo. Dessa maneira, um único desenho pode representar todas as configurações.

Você pode identificar as dimensões com letras ou nomes curtos e descritivos, em vez de utilizar os nomes completos e valores das dimensões. Por exemplo, em vez de D1@ExtrusãoBase, você pode usar uma etiqueta como A ou espessura como cabeçalho da coluna da tabela e exibir esta etiqueta em vez do valor da dimensão na vista de desenho.

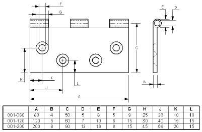
Veja a seguir uma ilustração de como uma tabela de projeto e as dimensões que ela controla podem ser exibidas em um desenho.



Envie-nos seus comentários sobre este tópico

O SOLIDWORKS agradece seu feedback sobre a apresentação, precisão e nível de detalhe da documentação. Use o formulário abaixo para enviar comentários e sugestões sobre este tópico diretamente à equipe responsável pela documentação. Esta equipe não responde a perguntas de suporte técnico. Clique aqui para ver informações específicas do suporte técnico.

* Obrigatório

 
*E-mail:  
Assunto:   Comentários sobre os tópicos da Ajuda
Página:   Tabelas de projeto em desenhos
*Comentário:  
*   Eu reconheço que li e aceito, por meio deste, a política de privacidade segundo a qual meus Dados pessoais serão usados pela Dassault Systèmes

Imprimir tópico

Selecione o escopo do conteúdo a imprimir:

x

Foi detectada uma versão de navegador anterior ao Internet Explorer 7. Para uma exibição otimizada, sugerimos a atualização para o Internet Explorer 7 ou posterior.

 Não mostrar essa mensagem novamente
x

Versão do conteúdo de ajuda on-line: SOLIDWORKS 2016 SP05

Para desativar a Ajuda online no SOLIDWORKS e usar a Ajuda local, clique em Ajuda > Usar Ajuda on-line do SOLIDWORKS.

Para relatar problemas encontrados na interface e na pesquisa da Ajuda on-line, consulte seu representante de suporte local. Para fornecer comentários sobre tópicos individuais da Ajuda, use o link “Comentários sobre este tópico” na página do tópico individual.