Expand ВведениеВведение
Expand АдминистрацияАдминистрация
Expand Интерфейс пользователяИнтерфейс пользователя
Expand Основные принципы SOLIDWORKSОсновные принципы SOLIDWORKS
Expand Переход из  2D в 3DПереход из 2D в 3D
Expand СборкиСборки
Expand CircuitWorksCircuitWorks
Expand КонфигурацииКонфигурации
Expand SOLIDWORKS CostingSOLIDWORKS Costing
Expand Design CheckerDesign Checker
Expand Исследования проектирования в SOLIDWORKSИсследования проектирования в SOLIDWORKS
Expand Чертежи и оформлениеЧертежи и оформление
Expand DFMXpressDFMXpress
Expand DriveWorksXpressDriveWorksXpress
Expand FloXpressFloXpress
Expand Обмен данными SLDXMLОбмен данными SLDXML
Expand Импорт и экспортИмпорт и экспорт
Expand Отображение моделиОтображение модели
Expand Проектирование литейной формыПроектирование литейной формы
Expand Исследования движенияИсследования движения
Expand Детали и элементыДетали и элементы
Expand МаршрутМаршрут
Expand Листовой металлЛистовой металл
Expand SimulationSimulation
Expand SimulationXpressSimulationXpress
Expand Создание эскизаСоздание эскиза
Expand SOLIDWORKS MBD SOLIDWORKS MBD
Expand SOLIDWORKS UtilitiesSOLIDWORKS Utilities
Expand SOLIDWORKS SustainabilitySOLIDWORKS Sustainability
Expand ОтклоненияОтклонения
Expand TolAnalystTolAnalyst
Expand ToolboxToolbox
Expand Сварные деталиСварные детали
Expand Workgroup PDMWorkgroup PDM
Collapse Устранение неполадокУстранение неполадок
Глоссарий
Скрыть содержание

Сообщение об ошибке - Решение не найдено

Возможные сообщения об ошибках

  • Решения эскиза создаст недопустимые геометрические условия (например, нулевую длину линии). Подумайте об:
    • Удалении неверной геометрии.
    • Изменении взаимосвязей или размеров для предотвращения появления неверной геометрии.

Возможные причины этих сообщений об ошибках

Неверные объекты

Геометрия эскиза не может определить положение одного или нескольких объектов эскиза.

Нерешаемые объекты

Геометрия эскиза будет геометрически недопустимой, если расчет эскиза выполнен.

Чтобы установить цвет для этих элементов, выберите Инструменты > Параметры > Настройка системы > Цвета . Для цвета неверного эскиза выберите Эскиз, Недопустимая геометрия в разделе Системные цвета. Чтобы задать цвет нерешенного эскиза, выберите Sketch, Not Solved. Выберите Правка, выберите цвет и нажмите OK.
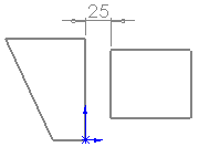
Пример неверной геометрии
Исходные эскизы с верными размерами

Размер ссылается на объект эскиза, неверный для этого размера. Неверный объект эскиза отображается красным цветом.

Размер создает неверный эскиз, т.к. он создает линии нулевой длины.

Возможное решение 1:

Решение эскиза путем перетаскивания выносной линии размера к верному для данного размера объекту.

Возможное решение 2:

Решение эскиза путем изменения нижнего размера на значение > 25, чтобы нижняя горизонтальная линия не была нулевой длины.

Пример нерешаемой геометрии
Исходный эскиз

Размер 100 создает нерешаемый эскиз, поскольку этот размер не может превышать сумму двух других сторон треугольника. Нерешаемый эскиз отображается желтым цветом.

Возможное решение:

Решение эскиза путем изменения размера на решаемое значение.

Возможные исправления

  • Перетащите к допустимому объекту для повторного размещения размера.
  • Удалите размеры или взаимосвязи.
  • Удалить неверную геометрию.
  • Отредактируйте другие значения размеров или геометрию для удаления конфликтов.


Оставьте отзыв об этом разделе

SOLIDWORKS благодарит Вас за отзыв по поводу представления, точности и полноты документации. Воспользуйтесь формой ниже, чтобы отправить свои комментарии и предложения о данном разделе справки в Отдел документации. Отдел документации не предоставляет ответы на вопросы по технической поддержке. Нажмите здесь для получения информации о технической поддержке.

* Обязательно

 
*Электронная почта:  
Тема:   Отзывы по поводу разделов Справки
Страница:   Сообщение об ошибке - Решение не найдено
*Отзыв:  
*   Я подтверждаю, что прочитал(а) и принимаю положения политики конфиденциальности, в соответствии с которыми Dassault Systèmes будет использовать мои персональные данные.

Печать разделов

Выберите содержимое для печати:

x

Вы используете более раннюю версию браузера, чем Internet Explorer 7. Для оптимизации отображения рекомендуется обновить Ваш браузер до версии Internet Explorer 7 или новее.

 Больше не отображать это сообщение
x

Версия содержимого веб-справки: SOLIDWORKS 2016 SP05

Чтобы отключить веб-справку в программе SOLIDWORKS и использовать локальную версию справки, нажмите Справка > Использовать веб-справку по SOLIDWORKS .

По проблемам, связанным с интерфейсом и поиском по веб-справке, обращайтесь к местному представителю службы поддержки. Чтобы оставить отзыв по отдельным темам справки, воспользуйтесь ссылкой "Отзыв об этом разделе" на странице нужного раздела.