Masquer le sommaire

Cotes dans les mises en plan

Généralement, vous spécifiez les cotes lors de la conception d'une pièce, puis vous les insérez, à partir du modèle, dans la mise en plan. Le fait de modifier une cote dans un document la modifie dans tous les documents associés.

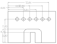
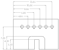
L'outil Réorganiser les cotes automatiquement positionne les cotes rapidement et facilement.

Avant Après
Une option, que vous pouvez sélectionner lors de l'installation de SOLIDWORKS, vous permet cependant d'éviter que les modifications apportées aux cotes dans les mises en plan n'affectent les modèles de pièce ou d'assemblage.

Vous pouvez utiliser des lignes magnétiques pour aligner les bulles. Vous pouvez insérer automatiquement des axes de centrage pour tous les perçages, congés et fentes dans les vues de mise en plan.

Dans SOLIDWORKS, la mise en forme des cotes suit la norme définie par défaut pour le document dans Outils > Options > Propriétés du document > Norme d'habillage . Vous pouvez changer les valeurs par défaut du document ou du modèle pour chaque type de cote indiqué dans Outils > Options > Propriétés du document > Cotations . Le logiciel de CAO 2D et SOLIDWORKS utilisent tous deux des styles pour enregistrer des mises en forme spécifiques.

Les systèmes de CAO 2D possèdent un type de cote qui est comparable aux cotes de référence dans SOLIDWORKS. Les cotes de référence ne peuvent pas être modifiées et n'affectent pas la géométrie du modèle. Cependant, lorsque le modèle est modifié, les cotes de référence sont mises à jour en conséquence. Les cotes de modèle sont liées paramétriquement au modèle, à l'aide de noms de cote et, lorsqu'elles sont modifiées (dans les mises en plan ou les documents de modèle), les modifications affectent aussi le modèle.

Lorsque vous insérez des cotes dans des documents de pièce et d'assemblage, elles sont marquées pour la mise en plan, sauf indication contraire. Lorsque vous insérez des cotes du modèle avec l'outil Objets du modèle, automatiquement pour une nouvelle vue de mise en plan ou avec la Cotation automatique, seules les cotes marquées pour la mise en plan sont insérées. Lorsque vous insérez une vue d'annotations dans une mise en plan, toutes les annotations de la pièce ou de l'assemblage sont insérées dans la mise en plan.

Les cotes définissent la géométrie dans les esquisses de modèles.
Les cotes du modèle sont transférées dans la mise en plan à l'aide du menu Insertion > Objets du modèle.

Les cotes de ligne de base, les cotes ordinales, les cotes de chanfrein et les symboles pour le perçage sont disponibles dans les mises en plan. Les cotes ordinales sont également disponibles dans les esquisses.

Cotes de <igne de base
Cotes ordinales
Cotes de chanfrein
Symbole pour le perçage


Faire un commentaire sur cette rubrique

Tous les commentaires concernant la présentation, l'exactitude et l'exhaustivité de la documentation sont les bienvenus. Utilisez le formulaire ci-dessous pour faire parvenir vos commentaires et suggestions directement à notre équipe de documentation. Celle-ci ne peut pas répondre aux questions de support technique. Cliquez ici pour des informations sur le support technique.

* Requis

 
*Courriel:  
Sujet:   Commentaires sur les rubriques d'aide
Page:   Cotes dans les mises en plan
*Commentaire:  
*   Je reconnais avoir pris connaissance et accepter par la présente la politique de confidentialité en vertu de laquelle mes données personnelles seront utilisées par Dassault Systèmes

Rubrique d'impression

Sélectionner l'étendue du contenu à imprimer :

x

La version du navigateur que vous utilisez est antérieure à Internet Explorer 7. Afin d'optimiser l'affichage, nous suggérons d'utiliser Internet Explorer 7 ou une version ultérieure.

 Ne plus afficher ce message
x

Version du contenu de l'aide sur le Web: SOLIDWORKS 2017 SP05

Pour désactiver l'aide sur le Web dans SOLIDWORKS et utiliser l'aide locale à la place, cliquez sur ? > Utiliser l'aide sur le Web de SOLIDWORKS.

Pour signaler tout problème rencontré avec l'interface ou la fonctionnalité de recherche de l'aide sur le Web, contactez votre support technique local. Pour faire part de vos commentaires sur des rubriques d'aide individuelles, utilisez le lien “Commentaires sur cette rubrique” sur la page de la rubrique concernée.