隱藏目錄

模型組態

SOLIDWORKS 中的模型組態讓您可以在單一的文件中對零件或組合件模型產生多種變化。 模型組態是發展與管理一群有著不同尺寸、零組件、或其他參數的模型的簡便方法。

您可以手動產生模型組態,或者使用設計表格同時產生多種模型組態。 設計表格提供了一種簡便的方法來在工作表中產生和管理模型組態。 您可以同時在零件及組合件文件中使用設計表格。

config_tutor_1.gif config_tutor_2.gif
config_tutor_3.gif config_tutor_4.gif

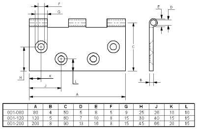
您可以在工程圖中顯示設計表格。

config_design_table_drw.gif



提供對此主題的意見反應

SOLIDWORKS 歡迎您提供有關於文件呈現方式、正確性、及完整性的意見反應。請使用下方的表格直接將您對此主題的意見與建議傳送給我們的文件團隊。文件團隊並無法回答關於技術支援的問題。按一下此處來獲得關於技術支援的資訊

* 必要的

 
*電子郵件:  
主旨:   說明主題的意見反應
頁面:   模型組態
*意見:  
*   我承認已閱讀且僅此接受隱私權政策,Dassault Systèmes 將遵循此政策之規定使用我的個人資料

列印主題

選擇要列印的內容範圍:

x

偵測到您使用的瀏覽器版本是舊於 Internet Explorer 7。要獲得最佳的顯示,建議您升級瀏覽器到 Internet Explorer 7 或更新的版本。

 不要再次顯示此訊息
x

Web 式說明內容版本:SOLIDWORKS 2017 SP05

要從 SOLIDWORKS 中停用 Web 式的說明並改用本機說明,請按一下說明 > 使用 SOLIDWORKS Web 式說明

要報告在 Web 式說明介面及搜尋中遇到的問題,請聯絡您當地的技術支援代表。要針對個別說明主題提供意見反應,請使用個別主題頁面中的「提供對此主題的意見反應」連結。