隱藏目錄

工程圖中的尺寸

當您設計零件時,通常會指定尺寸,然後將來自模型的尺寸插入工程圖中。 在一個文件中改變尺寸會在任何相關的文件中反映此更改。

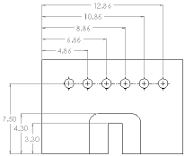
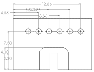
自動排列尺寸 工具可讓您快速並輕鬆地定位尺寸。

之前 之後
您可以在安裝 SOLIDWORKS 的過程中設定選項,以避免工程圖中的尺寸變更影響零件或組合件模型。

您可以使用磁性線來對正零件號球。 您可以為工程視圖中的所有鑽孔、圓角和狹槽自動插入中心符號線。

根據預設,SOLIDWORKS 中的尺寸格式遵循 工具 > 選項 > 文件屬性 > 草稿標準 中為文件設定的標準。 您可以為列在 工具 > 選項 > 文件屬性 > 尺寸 之下的每種尺寸類型變更文件或範本預設。 2D CAD 軟體及 SOLIDWORKS 軟體都使用樣式來儲存特殊的格式。

2D CAD 系統只有一種類型的尺寸,此種尺寸是與 SOLIDWORKS 中的參考尺寸相當。 參考尺寸不能被修改且不能改變模型幾何。 不過模型變更時,參考尺寸會自動更新。 模型尺寸是使用尺寸名稱與模型參數式的連結,且當尺寸變更(在工程圖或模型文件中)時,會修改模型。

當您插入尺寸到零件及組合件文件中時,除非您有另外指定,否則這些尺寸都會標示為在工程圖中使用。 當您為新工程視圖使用模型項次來自動地插入模型尺寸,或使用自動標註尺寸,只有標示在工程圖中使用的尺寸會被插入。 當您插入註記視圖到工程圖中時,在零件或組合件中的所有註記都會被插入工程圖中。

尺寸定義了在模型草圖中的幾何。
使用插入 > 模型項次來將模型尺寸轉入至工程圖中。

可在工程圖中使用基準尺寸、座標尺寸、導角尺寸、及孔標註。 也可以在草圖中可以使用座標尺寸。

基準尺寸
座標尺寸
導角尺寸
鑽孔標註


提供對此主題的意見反應

SOLIDWORKS 歡迎您提供有關於文件呈現方式、正確性、及完整性的意見反應。請使用下方的表格直接將您對此主題的意見與建議傳送給我們的文件團隊。文件團隊並無法回答關於技術支援的問題。按一下此處來獲得關於技術支援的資訊

* 必要的

 
*電子郵件:  
主旨:   說明主題的意見反應
頁面:   工程圖中的尺寸
*意見:  
*   我承認已閱讀且僅此接受隱私權政策,Dassault Systèmes 將遵循此政策之規定使用我的個人資料

列印主題

選擇要列印的內容範圍:

x

偵測到您使用的瀏覽器版本是舊於 Internet Explorer 7。要獲得最佳的顯示,建議您升級瀏覽器到 Internet Explorer 7 或更新的版本。

 不要再次顯示此訊息
x

Web 式說明內容版本:SOLIDWORKS 2017 SP05

要從 SOLIDWORKS 中停用 Web 式的說明並改用本機說明,請按一下說明 > 使用 SOLIDWORKS Web 式說明

要報告在 Web 式說明介面及搜尋中遇到的問題,請聯絡您當地的技術支援代表。要針對個別說明主題提供意見反應,請使用個別主題頁面中的「提供對此主題的意見反應」連結。