Lo strumento Quotatura automatica consente di inserire le quote di riferimento nelle viste di disegno sotto forma di quote della linea di base, di catena o di ordinata. Lo strumento Quotatura automatica funziona in modo simile negli schizzi.
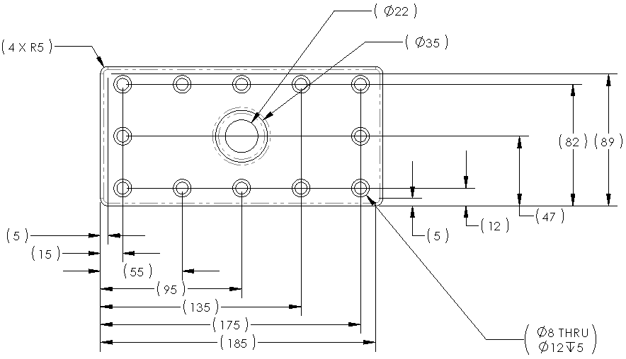
Di seguito ecco lo schema di quotatura della linea di base:
