Ocultar tabla de contenido

Mensaje de error - No se ha encontrado una solución

Mensajes de error posibles

  • El croquis no ha sido actualizado porque si se solucionara se obtendría una geometría no válida (como una línea de longitud cero). Considere:
    • Eliminar la geometría no válida.
    • Cambiar las relaciones o las cotas para eliminar la geometría no válida.

Explicaciones posibles para estos mensajes de error

Elementos no válidos

La geometría del croquis no puede determinar la posición de una o más entidades de croquis.

Elementos no solucionables

La geometría del croquis no sería geométricamente válida si se solucionara el croquis.

Para configurar el color de estos elementos, haga clic en Herramientas > Opciones > Opciones de sistema > Colores . Para el color del croquis no válido, seleccione Croquis, Geometría inválida en Colores de sistema. Para el color del croquis no solucionable, seleccione Croquis, No solucionado. Haga clic en Editar, seleccione un color y, a continuación, haga clic en Aceptar.
Ejemplo de geometría no válida
Croquis originales con una cota válida

La cota hace referencia a una entidad de croquis que no es válida para esta cota. El elemento del croquis no válido se muestra en rojo.

La cota crea un croquis no válido porque crea una línea de longitud cero.

Solución posible 1:

Croquis solucionado arrastrando la línea de cota de la cota hasta una entidad válida para esta cota.

Solución posible 2:

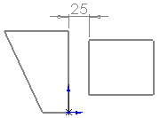
Croquis solucionado mediante el cambio de la cota inferior a un valor > 25, para que la línea horizontal inferior no tenga una longitud cero.

Ejemplo de geometría no solucionable
Croquis original

La cota de 100 crea un croquis no solucionable porque no es posible que esa cota exceda el total de los otros dos lados del triángulo. El croquis no solucionable se muestra en color amarillo.

Posibles soluciones:

Croquis solucionado cambiando la cota a un valor de cota solucionable.

Posibles soluciones

  • Arrastre para cambiar la ubicación de la cota a una entidad válida.
  • Elimine cotas o relaciones.
  • Elimine geometría no válida.
  • Edite otros valores de cota o geometría para que no haya conflictos.


Proporcione comentarios sobre este tema

SOLIDWORKS agradece sus comentarios acerca del formato, la precisión y la rigurosidad de la documentación. Utilice el siguiente formulario para enviar comentarios y sugerencias sobre este tema directamente al equipo de documentación. Nota: el equipo de documentación no puede responder a preguntas técnicas. Haga clic aquí para ver información sobre soporte técnico.

* Obligatorio

 
*Correo electrónico:  
Asunto:   Comentarios sobre los temas de la ayuda
Página:   Mensaje de error - No se ha encontrado una solución
*Comentario:  
*   Por la presente confirmo que he leído y acepto la política de privacidad en virtud de la cual Dassault Systèmes usará mis Datos personales

Imprimir tema

Seleccione el ámbito del contenido que desee imprimir:

x

Hemos detectado que la versión de su explorador es anterior a Internet Explorer 7. Para una visualización óptima, le recomendamos que actualice a Internet Explorer 7 o versión superior.

 No volver a mostrar este mensaje
x

Versión del contenido de la ayuda web: SOLIDWORKS 2017 SP05

Para desactivar la ayuda web desde SOLIDWORKS y utilizar la ayuda local en su lugar, haga clic en Ayuda > Usar la ayuda web de SOLIDWORKS.

Para informar sobre problemas detectados con la interfaz y la función de búsqueda de la ayuda web, póngase en contacto con el representante local de soporte. Si desea proporcionar comentarios sobre temas individuales, utilice el vínculo “Comentarios sobre este tema” en la página del tema en cuestión.