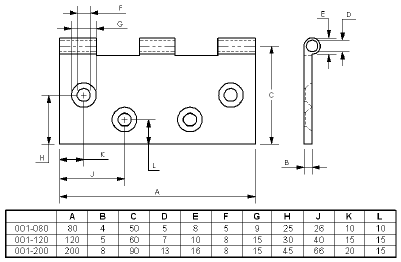
If a model document uses a design table to generate multiple configurations, you can display the table in a drawing of that model. This way, a single drawing can represent all the configurations.
You can label the dimensions with letters or short, descriptive names, instead of using the full dimension names and the values. For example, instead of D1@BaseExtrude, you can use a label such as A or thickness as the column header in the table, and display the label instead of the value of the dimension in the drawing view.
The following illustrates how a design table and the dimensions it controls might appear in a drawing.
