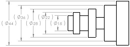
빠른 치수 빠른 치수 선택기를 사용하여 치수를 간격이 일정하고 보기 쉽게 배치할 수 있습니다. 빠른 치수 선택기는 도면뷰에 치수를 삽입할 때 나타납니다. 조정자를 사용하여 치수를 일정한 간격으로 배치합니다. 예를 들어, 두 치수 사이에 치수를 삽입할 경우 새 치수가 기존 두 치수 사이에서 일정한 간격으로 배치됩니다. 치수를 빠르게 배치하려면 빠른 치수 선택기를 사용합니다. 빠른 치수 조정에서 사용된 간격은 도구 > 옵션 > 문서 속성 > 치수 의 오프셋 거리에서 조정할 수 있습니다. 빠른 치수 선택기로 대칭 중심선에서 치수를 작성할 때 겹칠 가능성이 있는 치수는 도면에 ANSI 표준으로 엇갈려 배치됩니다. 빠른 치수 선택기를 비활성화하려면 치수 PropertyManager의 치수 보조 도구에서 빠른 치수 조정을(를) 선택 취소합니다. 이 설정은 모든 세션에 걸쳐 유지됩니다. 빠른 치수 선택기가 활성화되어 있는 경우 ESC을(를) 눌러 이를 해제할 수 있습니다. ESC을(를) 다시 누르면 지능형 치수 도구가 해제됩니다. 상위 주제도면 치수 빠른 치수 선택기 사용하기 빠른 치수 선택기를 사용하여 치수를 간격이 일정하고 보기 쉽게 배치할 수 있습니다. 지능형 치수지능형 치수(치수/구속조건 도구 모음)를 클릭하거나 도구 > 치수 > 지능형을 클릭합니다. 치수를 지정할 요소를 선택합니다. 배치되는 치수 유형에 따라 빠른 치수 선택기가 다음과 같이 나타납니다: 또는 . 조정자의 한 부분을 클릭합니다. 또는 다른 조정자 위치로 전환하는 Tab 키 스페이스 바를 사용하여 모델 지오메트리 밖의 적절한 위치에 배치 치수는 선택한 요소 근처에 배치됩니다. 필요한 경우 기존의 치수가 새 치수 공간을 확보하기 위해 이동됩니다. 빠른 치수 선택기를 비활성화하려면 치수 PropertyManager의 치수 보조 도구에서 빠른 치수 조정을(를) 선택 취소합니다. 이 설정은 모든 세션에 걸쳐 유지됩니다. 빠른 치수 선택기가 활성화되어 있는 경우 ESC을(를) 눌러 이를 해제할 수 있습니다. ESC을(를) 다시 누르면 지능형 치수 도구가 해제됩니다.
빠른 치수 빠른 치수 선택기를 사용하여 치수를 간격이 일정하고 보기 쉽게 배치할 수 있습니다. 빠른 치수 선택기는 도면뷰에 치수를 삽입할 때 나타납니다. 조정자를 사용하여 치수를 일정한 간격으로 배치합니다. 예를 들어, 두 치수 사이에 치수를 삽입할 경우 새 치수가 기존 두 치수 사이에서 일정한 간격으로 배치됩니다. 치수를 빠르게 배치하려면 빠른 치수 선택기를 사용합니다. 빠른 치수 조정에서 사용된 간격은 도구 > 옵션 > 문서 속성 > 치수 의 오프셋 거리에서 조정할 수 있습니다. 빠른 치수 선택기로 대칭 중심선에서 치수를 작성할 때 겹칠 가능성이 있는 치수는 도면에 ANSI 표준으로 엇갈려 배치됩니다. 빠른 치수 선택기를 비활성화하려면 치수 PropertyManager의 치수 보조 도구에서 빠른 치수 조정을(를) 선택 취소합니다. 이 설정은 모든 세션에 걸쳐 유지됩니다. 빠른 치수 선택기가 활성화되어 있는 경우 ESC을(를) 눌러 이를 해제할 수 있습니다. ESC을(를) 다시 누르면 지능형 치수 도구가 해제됩니다. 상위 주제도면 치수 빠른 치수 선택기 사용하기 빠른 치수 선택기를 사용하여 치수를 간격이 일정하고 보기 쉽게 배치할 수 있습니다. 지능형 치수지능형 치수(치수/구속조건 도구 모음)를 클릭하거나 도구 > 치수 > 지능형을 클릭합니다. 치수를 지정할 요소를 선택합니다. 배치되는 치수 유형에 따라 빠른 치수 선택기가 다음과 같이 나타납니다: 또는 . 조정자의 한 부분을 클릭합니다. 또는 다른 조정자 위치로 전환하는 Tab 키 스페이스 바를 사용하여 모델 지오메트리 밖의 적절한 위치에 배치 치수는 선택한 요소 근처에 배치됩니다. 필요한 경우 기존의 치수가 새 치수 공간을 확보하기 위해 이동됩니다. 빠른 치수 선택기를 비활성화하려면 치수 PropertyManager의 치수 보조 도구에서 빠른 치수 조정을(를) 선택 취소합니다. 이 설정은 모든 세션에 걸쳐 유지됩니다. 빠른 치수 선택기가 활성화되어 있는 경우 ESC을(를) 눌러 이를 해제할 수 있습니다. ESC을(를) 다시 누르면 지능형 치수 도구가 해제됩니다.
빠른 치수 선택기 사용하기 빠른 치수 선택기를 사용하여 치수를 간격이 일정하고 보기 쉽게 배치할 수 있습니다. 지능형 치수지능형 치수(치수/구속조건 도구 모음)를 클릭하거나 도구 > 치수 > 지능형을 클릭합니다. 치수를 지정할 요소를 선택합니다. 배치되는 치수 유형에 따라 빠른 치수 선택기가 다음과 같이 나타납니다: 또는 . 조정자의 한 부분을 클릭합니다. 또는 다른 조정자 위치로 전환하는 Tab 키 스페이스 바를 사용하여 모델 지오메트리 밖의 적절한 위치에 배치 치수는 선택한 요소 근처에 배치됩니다. 필요한 경우 기존의 치수가 새 치수 공간을 확보하기 위해 이동됩니다. 빠른 치수 선택기를 비활성화하려면 치수 PropertyManager의 치수 보조 도구에서 빠른 치수 조정을(를) 선택 취소합니다. 이 설정은 모든 세션에 걸쳐 유지됩니다. 빠른 치수 선택기가 활성화되어 있는 경우 ESC을(를) 눌러 이를 해제할 수 있습니다. ESC을(를) 다시 누르면 지능형 치수 도구가 해제됩니다.