工程图中的尺寸

通常,您在设计零件时指定尺寸,然后将尺寸从模型插入到工程图。 在一个文件中更改尺寸将在任何相关联文件中更改尺寸。

自动排列标注 工具用于快速方便地定位尺寸。

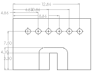
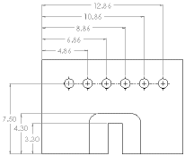
之前 之后
您可在安装 SOLIDWORKS 过程中设定一选项,防止工程图中尺寸的更改影响到零件或装配体模型。

您可以使用磁力线对齐零件序号。 您可以在工程图视图中自动插入所有孔、圆角和槽口的中心符号线。

在 SOLIDWORKS 中,默认情况下,尺寸格式化遵循在 工具 > 选项 > 文档属性 > 绘图标准 中为文档所设定的标准。 您可以在 工具 > 选项 > 文档属性 > 尺寸 下更改列出的每个尺寸类型的文档或模板默认值。 2D CAD 软件和 SOLIDWORKS 软件都是用样式保存特殊格式。

2D CAD 系统只有一种尺寸类型,与 SOLIDWORKS 中的参考尺寸类似。 参考尺寸不能被修改,不会改变模型几何体。 然而,当模型改变时,参考尺寸自动更新。 模型尺寸通过使用尺寸名称在参数方面连接到模型,当被更改时(在工程图或模型文件中),将修改模型。

当您在零件和装配体文档中插入尺寸时,除非您另行指定,这些尺寸将为工程图标注。 当您使用模型项目、或为新工程视图自动、或以自动尺寸插入模型尺寸时,则只有为工程图标注的尺寸才被插入。 当您插入注解视图到工程图中时,零件或装配体中的所有注解都将插入到工程图中。

尺寸在模型草图中定义几何体。
模型尺寸可使用插入 > 模型项目移到工程图中。

基准尺寸、尺寸链、倒角尺寸、及孔标注可在工程图中使用。 尺寸链也可在草图中使用。

基准尺寸
坐标尺寸
倒角尺寸
孔标注