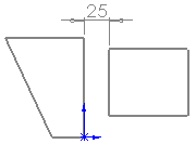
Komunikat błędu - Nie znaleziono rozwiązania Komunikaty o ewentualnych błędach Szkic nie został aktualizowany ponieważ rozwiązanie go zakończyłoby się nieprawidłową geometrią (jak np. linia o długości zero). Należy rozważyć:Usunięcie nieprawidłowej geometrii. Zmianę relacji lub wymiarów, aby wyeliminować nieprawidłową geometrię. Możliwe przyczyny takich komunikatów o błędach Nieprawidłowe elementy Geometria szkicu nie może ustalić pozycji jednego lub więcej elementów szkicu. Elementy niemożliwe do rozwiązania Geometria szkicu byłaby geometrycznie nieprawidłowa, gdyby szkic został rozwiązany. Aby ustawić kolor dla tych elementów, należy kliknąć Narzędzia > Opcje > Opcje systemu > Kolory . Dla koloru nieprawidłowego szkicu, należy wybrać Szkic, Nieprawidłowa geometria w części Kolory systemowe. Dla szkicu niemożliwego do rozwiązania, należy wybrać Szkic, Nierozwiązany. Kliknąć Edytuj, wybrać kolor, a następnie kliknąć OK. Przykład nieprawidłowej geometrii Pierwotne szkice z prawidłowym wymiarem. Wymiar odnosi się do elementu szkicu, który nie jest prawidłowy dla tego wymiaru. Nieprawidłowy element szkicu jest wyświetlany w kolorze czerwonym. Wymiar tworzy nieprawidłowy szkic, ponieważ utworzona linia ma zerową długość. Możliwe rozwiązanie nr 1: Szkic rozwiązany poprzez przeciągnięcie pomocniczej linii wymiaru do elementu prawidłowego dla tego wymiaru. Możliwe rozwiązanie nr 2: Szkic rozwiązany poprzez zmianę dolnego wymiaru do wartości > 25, dzięki czemu dolna linia pozioma ma niezerową długość. Przykład geometrii niemożliwej do rozwiązania Pierwotny szkic Wymiar 100 tworzy szkic niemożliwy do rozwiązania, ponieważ wymiar ten nie może przekraczać sumy pozostałych dwóch boków trójkąta. Szkic niemożliwy do rozwiązania jest wyświetlany w kolorze żółtym. Możliwe rozwiązanie: Szkic rozwiązany poprzez zmianę wymiaru do wartości możliwej do rozwiązania. Możliwe rozwiązania Przeciągnąć wymiar do prawidłowego elementu. Usunąć wymiary lub relacje. Usuń nieprawidłową geometrię. Poddać edycji inne wartości wymiarów lub geometrie, aby nie były one w sprzeczności. Temat nadrzędnyKomunikaty o błędach Opcje relacji/przyciągania Stan geometrii szkicu