В окне PropertyManager Преобразовать вид в эскиз преобразовать чертежный вид в объекты эскиза или блок объектов эскиза.
Чтобы открыть этот PropertyManager:
Щелкните правой кнопкой мыши в чертежном виде и выберите Преобразовать вид в эскиз.
Состояние отображения
Заменить вид эскизом
|
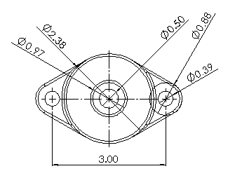
Замена чертежного вида эквивалентными объектами двумерного эскиза.
Исходный чертежный вид |
|
Эквивалентные объекты двумерного эскиза |
|
|
Заменить вид блоком
|
Замена чертежного вида эквивалентными объектами двумерного эскиза, сгруппированными в блок.
Исходный чертежный вид |
|
Блок с эквивалентными объектами двумерного эскиза |

|
|
Вставить как блок
|
Создается отдельный блок из эквивалентных объектов двумерного эскиза, которые можно поместить в любое место чертежа.
В этом примере блок справа добавляется в чертежный вид, а не замещает чертежный вид слева.
|
Точка вставки
Этот параметр доступен при выборе параметра Заменить вид блоком или Вставить как блок.
Вставка в графическую область манипулятора точки и выноски, которые можно перетаскивать в нужное место независимо друг от друга для размещения блока.