Таблицы параметров в чертежах

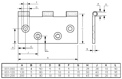
Если в документе модели для создания нескольких конфигураций используется таблица параметров, то можно отобразить таблицу параметров на чертеже этой модели. Таким образом все конфигурации могут быть представлены на одном чертеже.

Вместо полных имен и значений, можно пометить размеры буквами или присвоить им краткие описательные имена. Например, вместо D1@ОснованиеВытянуть в заголовке столбца таблицы можно использовать метку, такую как A или толщина, и отображать эту метку вместо значения размера на виде чертежа.

На рисунке ниже показан пример отображения таблицы параметров и контролируемых с ее помощью размеров на чертеже.