変更された寸法のハイライト表示

図面を開いているとき、図面を最後に保存した後で変更された寸法はハイライト表示されます。 変更された寸法を確認するには、部品またはアセンブリと図面を SOLIDWORKS 2012 以降で保存しておく必要があります。 変更された寸法を含む図面を保存して閉じると、変更された寸法のハイライト表示はリセットされます。
prj-17319-before-changes.gif
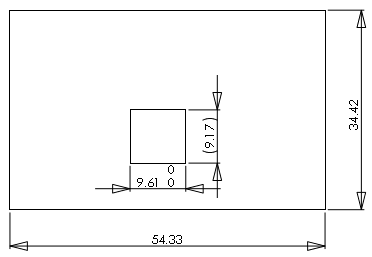
変更前
prj-17319-after-changes.gif
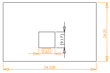
変更後
ハイライト表示をオンにすると、図面の次の変更がハイライト表示されます。
  • ベース番号の値を変更するモデルの変更
  • インポートされた寸法で、モデル内で交差のタイプまたは値が変更された寸法
  • インポートされた寸法で、括弧を追加(Add Parentheses)または検査用寸法(Inspection Dimension)に変更がある寸法
  • インポートされた寸法で、寸法テキスト(Dimension Text)(デフォルトでは <DIM>)に変更がある寸法
このハイライト表示機能を使用するには、部品またはアセンブリと、関連する図面を SOLIDWORKS 2012 以降で保存しておく必要があります。 図面を再度開くと、変更がハイライト表示されます。 変更された寸法の上にカーソルを移動すると、変更前の寸法を示すツールチップが表示されます。

prj-17319-changed-dim.gif

変更された寸法

prj-17319-changed-tol.gif

変更された公差