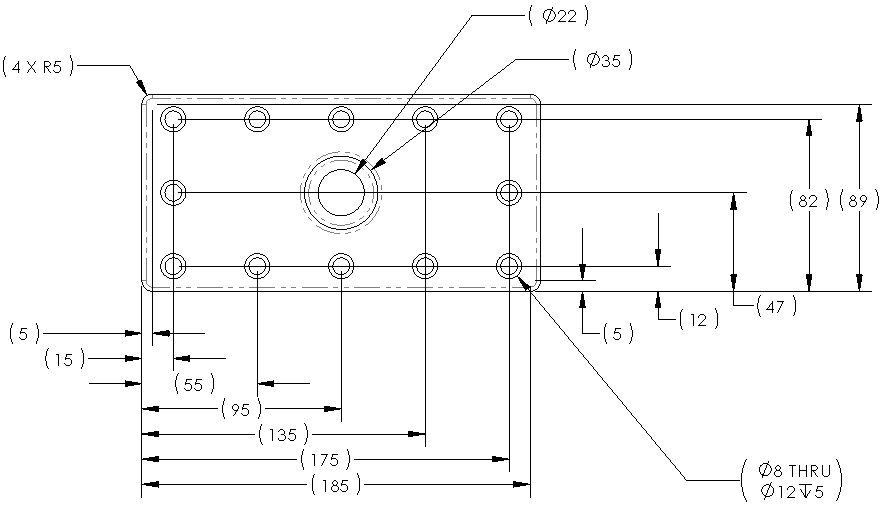
Можно использовать инструмент Авто-нанесение размеров для вставки справочных размеров в чертежные виды как размеров базовой линии, цепочки размеров и ординатных размеров. Инструмент Авто-нанесение размеров похожим образом работает в эскизах.
Ниже показана схема базовых размеров: