Быстрый размер

С помощью переключателя быстрого размера можно нанести размеры с равными интервалами, чтобы их было удобнее считывать.

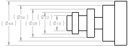
Переключатель быстрого размера отображается при вставке размеров в чертежные виды. Используйте его, если требуется равномерно нанести размеры. Например, новый размер, вставленный между двумя другими, будет автоматически расположен посередине.

Используйте переключатель быстрого размера для эффективного размещения размеров.

Чтобы настроить инструмент быстрого размера, выберите Инструменты > Параметры > Свойства документа > Размеры в разделе Расстояния смещения.

Чтобы избежать наложения при нанесении размеров на симметричную осевую линию с помощью переключателя быстрого размера, размеры располагаются в шахматном порядке в соответствии со стандартом ANSI.

Чтобы отключить переключатель быстрого размера, в Размер PropertyManager в Инструменты нанесения размеров отключите Быстрый размер. Эта настройка распространяется на все сессии.

Если переключатель быстрого размера включен, его можно отключить, нажав ESC. Повторное нажатие ESC отключает инструмент Автоматическое нанесение размеров.

Использование средства выбора быстрого размера

С помощью средства выбора быстрого размера можно нанести размеры с равными интервалами, которые более удобны для считывания.

  1. Автоматическое нанесение размеровАвтоматическое нанесение размеров (панель инструментов Размеры/взаимосвязи) или Инструменты > Размеры > Авто .
  2. Выберите объекты для нанесения размеров.
    В зависимости от типа размера, который может быть нанесен, средство выбора быстрого размера отображается как: или .
  3. Выберите манипулятор. Можно воспользоваться:
    • клавишу Tab, чтобы переключаться между разными положениями манипулятора
    • пробелом, чтобы нанести размер за пределами геометрии модели.
    Размер наносится рядом с выбранным объектом. Существующие размеры перемещаются для очищения необходимого места для новых размеров.

Чтобы отключить средство выбора быстрого размера, в окне Размер компонента PropertyManager перейдите в раздел Инструменты нанесения размеров и снимите флажок Быстрый размер. Эта настройка распространяется на все сессии.

Если средство выбора быстрого размера включено, его можно отключить, нажав на клавишу ESC. Повторное нажатие клавиши ESC отключает инструмент Автоматическое нанесение размеров.