Kóty ve výkresech

Kóty obvykle zadáváte při vytváření návrhu dílu a poté je vložíte z modelu do výkresu. Změny kóty v jednom dokumentu se odrazí ve všech přidružených dokumentech.

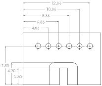
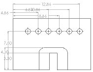
Nástroj Automaticky uspořádat kóty umožňuje snadno a rychle umisťovat kóty.

Před Po

Pomocí magnetických čar můžete zarovnávat pozice. Můžete automaticky vkládat středové značky pro veškeré díry, zaoblení a drážky v pohledech výkresu.

Formátování kót v SOLIDWORKS se řídí normou, která je ve výchozím stavu nastavena pro daný dokument v nabídce Nástroje > Možnosti > Vlastnosti dokumentu > Norma výkresu . Můžete změnit výchozí hodnoty dokumentu nebo šablony pro každý typ kóty uvedený v seznamu v nabídce Nástroje > Možnosti > Vlastnosti dokumentu > Kóty . Jak 2D CAD software, tak software SOLIDWORKS používají styly pro uložení konkrétních formátů.

2D CAD systémy používají jen jeden typ kóty, kterou je možné přirovnat k vztažným kótám v SOLIDWORKS. Vztažné kóty není možné měnit. Také nijak nemění geometrii modelu. Když se však změní model, vztažné kóty se podle něj automaticky aktualizují. Kóty modelu jsou parametricky propojeny s modelem pomocí názvů kót, a když se změní (ve výkresech nebo dokumentech modelu), změní se i model.

Když vložíte kóty do dokumentu dílu a sestavy, budou označeny pro výkresy, pokud neurčíte jinak. Když vložíte kóty modelu (buď pomocí Popisu modelu, automaticky v případě nového pohledu výkresu nebo pomocí Automatického kótování), vloží se jen kóty označené pro výkresy. Když vložíte pohled popisu do výkresu, všechny popisy dílu nebo sestavy jsou vloženy do výkresu.

Kóty určují geometrii ve skicách modelu.
Kóty modelu se přenáší do výkresu pomocí nabídky Vložit > Popis modelu.

Ve výkresech jsou k dispozici kóty od základny, řetězové kóty, kóty zkosení a popisy děr. Řetězové kóty jsou dostupné i ve skicách.

Kóty od základny
Souřadnicové kóty
Kóty zkosení
Popis díry