Chybová hláška - Nebylo nalezeno žádné řešení

Možné chybové zprávy

  • Tato skica nebyla aktualizována, protože by aktualizace způsobila neplatnou geometrii (jako například čáru nulové délky). Zvažte:
    • Odstranění neplatné geometrie.
    • Změnu vztahů nebo kót způsobujících neplatnou geometrii.

Možné důvody těchto chybových zpráv

Chybné položky

Geometrie skici nedokáže určit umístění jedné nebo více entit.

Neřešitelné položky

Tato geometrie skici bude neplatná v případě vyřešení skici.

Nastavte barvu těchto položek klepnutím na Nástroje > Možnosti > Možnosti systému > Barvy . Chcete-li změnit barvu neplatné skici, vyberte položku Skica, Neplatná geometrie v nabídce Barvy systému. Chcete-li změnit barvu neřešitelné skici, vyberte položku Skica, Nevyřešená. Klepněte na Upravit, vyberte barvu a poté klepněte na OK.
Příklad neplatné geometrie
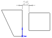
Původní skici s platnými kótami

Kóta odkazuje na entitu skici, která pro ni není platná. Neplatná položka skici je znázorněna červeně.

Kóta vytvoří neplatnou skicu, protože jejím výsledkem je čára o nulové délce.

Možné řešení 1:

Skica byla vyřešena přetažením vynášecí čáry k platné entitě pro tuto kótu.

Možné řešení 2:

Skica byla vyřešena změnou dolní kóty na hodnotu > 25, aby spodní vodorovná čára neměla nulovou délku.

Příklad neřešitelné geometrie
Původní skica

Kóta s hodnotou 100 vytvoří neřešitelnou skicu, protože není možné, aby velikost daného rozměru přesahovala součet velikostí zbývajících stran trojúhelníku. Neřešitelná skica je znázorněna žlutou barvou.

Možné řešení:

Skica byla vyřešena změnou kóty na řešitelnou hodnotu.

Možné opravy

  • Přetažením změňte polohu kóty tak, aby se vztahovala k platné entitě.
  • Odstraňte kóty nebo vztahy.
  • Odstraňte neplatnou geometrii.
  • Upravte ostatní hodnoty kót nebo geometrii tak, aby nedocházelo ke konfliktům.