도면 치수 자동 기입

자동 치수 도구를 사용하여 도면뷰에 베이스라인, 체인, 좌표 치수 등과 같은 참조 치수를 자동으로 삽입할 수 있습니다. 자동 치수 도구는 스케치에의 기능과 유사합니다.

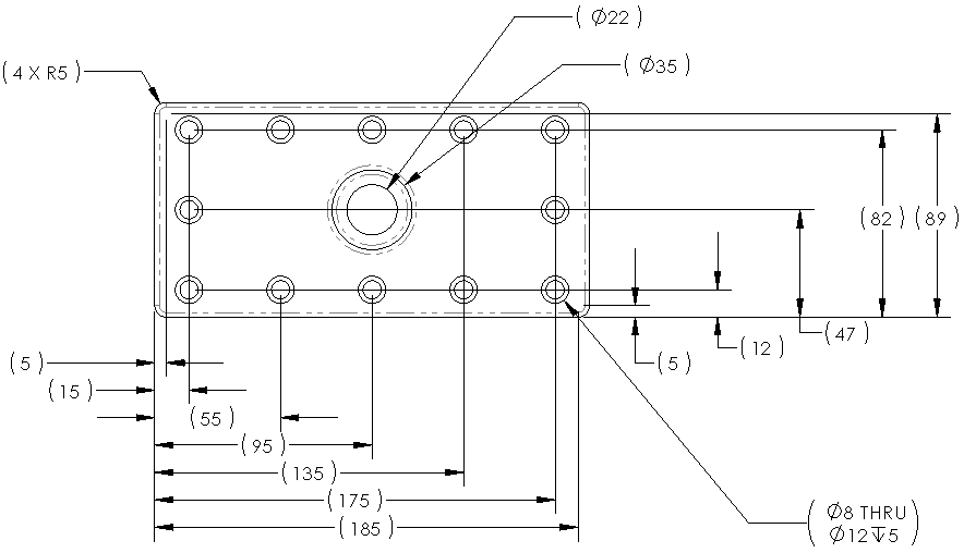
아래 그림은 베이스라인 치수 구조입니다.
autodim_baseline2.gif