Görünümü Çizime Dönüştür PropertyManager'ı

Bir teknik resim görünümünü çizim objelerine veya çizim objeleri bloğuna Görünümü Çizime Dönüştür PropertyManager'ı ile dönüştürebilirsiniz.

Bu PropertyManager'ı açmak için:

Bir teknik resim görünümünde, sağ tıklayın ve Görünümü Çizime Dönüştür öğesine tıklayın.

Görüntü Durumu

Görünümü çizimle değiştir
Teknik resim görünümünü eşdeğer 2B çizim objeleri ile değiştirir.
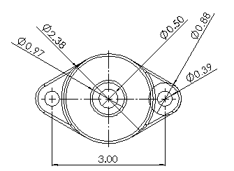
Orijinal teknik resim görünümü wn-original-drawing-view.png
Eşdeğer 2B çizim objeleri: wn-original-drawing-view-block1.png
Görünümü blokla değiştir
Teknik resim görünümünü, bir blokta gruplanmış eşdeğer 2B çizim objeleri ile değiştirir.
Orijinal teknik resim görünümü wn-original-drawing-view-dims.png
Eşdeğer 2B çizim objeleri içeren blok
wn-original-drawing-view-dims-block2.png
Blok olarak ekle
Teknik resimde istediğiniz yere yerleştirebileceğiniz eşdeğer 2B çizim objelerinden oluşan ayrı bir blok oluşturur.
insert-as-block-final.png
Bu örnekte, sağ taraftaki blok teknik resim görünümüne eklenir, soldaki teknik resim görünümünü değiştirmek yerine.

Ekleme Noktası

Görünümü blokla değiştir veya Blok olarak ekle öğesini seçtiğinizde kullanılabilir.

Grafik alanına bir nokta manipülatörü ve bloğu konumlandırmak için bağımsız olarak sürükleyebileceğiniz bir lider ekler.