図面の自動寸法

自動寸法(Autodimension)ツールを使用して、図面ビューに基準線、チェーンおよび累進寸法として参照寸法を挿入することができます。自動寸法(Autodimension)ツールはスケッチでも同様に機能します。

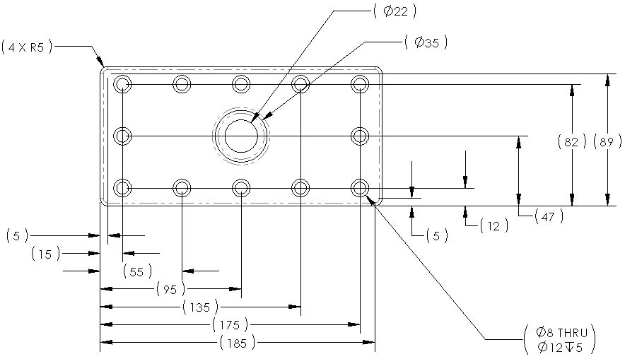
基準線寸法を表しています:
autodim_baseline2.gif