図面の設計テーブル(Design Tables in Drawings)

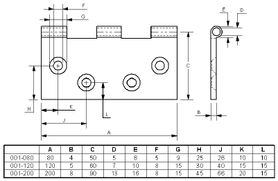
モデル ドキュメントで設計テーブルを使って複数のコンフィギュレーションを作成した場合は、そのモデルの図面に設計テーブルを表示することができます。これによって、1 つの図面ですべてのコンフィギュレーションを表現できます。

寸法全体の名前や値を使用する代わりに、寸法に文字を使用した名前や、短い説明的な名前をつけることができます。例えば、D1@ベース押し出しのかわりに A厚みなどのラベルを設計テーブルの列ヘッダーとして使用し、そのラベルを図面ビューの寸法値の代わりに表示できます。

次の図は、設計テーブルとそれがコントロールする寸法が表示された図面です。