Acotar automáticamente un dibujo
Puede utilizar la herramienta Acotar automáticamente para insertar cotas de referencia en vistas de dibujo como cotas de línea de base, cadena y coordenada. La herramienta Acotar automáticamente funciona de forma similar en croquis.
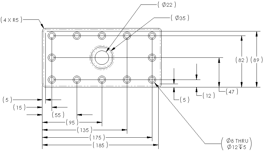
A continuación, se muestra un esquema de acotación de línea base:

Para acotar automáticamente el dibujo:
-
En un documento de dibujo, haga clic en Cota inteligente
en la barra de herramientas Cotas/Relaciones.
-
Seleccione la pestaña Acotación automática.
-
Defina las propiedades en el PropertyManager Acotación automática y, a continuación, haga clic en Aceptar
.