Al abrir un dibujo, las cotas que han cambiado desde el último guardado aparecen resaltadas. Para ver las cotas modificadas, la pieza o el ensamblaje y el dibujo deben guardarse primero en SolidWorks 2012 o posterior. Después de haber guardado y cerrado el dibujo con las cotas modificadas, el resaltado de las cotas modificadas se restablece.
 |
 |
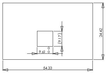
Antes de los cambios |
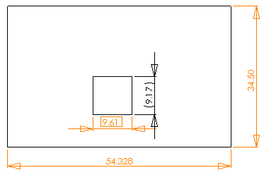
Después de los cambios |
Si la función de resaltado está activada, en los dibujos se resaltan las siguientes modificaciones:
- Cambios en el modelo que provocan el cambio de los valores de números base
- Cotas importadas en las que ha cambiado el tipo o el valor de tolerancia en el modelo
- Cotas importadas en las que se produce un cambio en Agregar paréntesis o Cota de inspección
- Cotas importadas en las que se produce un cambio en el Texto de cota (<DIM> de forma predeterminada)
Para utilizar la función de resaltado, primero debe guardar la pieza o el ensamblaje y los dibujos asociados en SolidWorks 2012 o posterior. Cuando se vuelve a abrir el dibujo, se mostrarán los cambios resaltados. Si sitúa el cursor sobre una cota modificada, la información sobre herramientas muestra la cota anterior.

|
Cotas modificadas
|

|
Tolerancia modificada
|