Pohled výkresu můžete převést na entity skic nebo na blok entit skic pomocí PropertyManager Převést pohled na skicu.
Chcete-li otevřít PropertyManager, klepněte ve výkresu pravým tlačítkem a vyberte možnost Převést pohled na skicu.
Stav zobrazení
| Nahradit pohled skicou |
Nahradí pohled výkresu odpovídajícími entitami 2D skici.
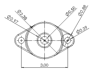
| Původní pohled výkresu |
 |
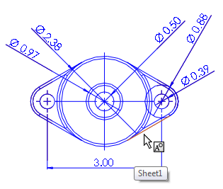
| Odpovídající entity 2D skici |
 |
|
| Nahradit pohled blokem |
Nahradí pohled výkresu odpovídajícími entitami 2D skici, které jsou seskupeny do bloku.
| Původní pohled výkresu |
 |
| Blok s odpovídajícími entitami 2D skici |

|
|
| Vložit jako blok |
Vytvoří samostatný blok složený z odpovídajících entit 2D skici, které můžete umístit kamkoli do výkresu.  V tomto příkladu se blok vpravo přidá do pohledu výkresu a nenahradí tedy pohled výkresu vlevo.
|
Místo vložení
Tato možnost je k dispozici, zvolíte-li buď Nahradit pohled blokem nebo Vložit jako blok.
Vloží do grafické oblasti manipulátor bodu a odkazovou čáru, které můžete nezávisle posouvat, a umístit tak blok.