Možné chybové zprávy
- Tato skica nebyla aktualizována, protože by aktualizace způsobila neplatnou geometrii (jako například čáru nulové délky). Zvažte:
- Odstranění neplatné geometrie.
- Změnu vztahů nebo kót způsobujících neplatnou geometrii.
Možné důvody těchto chybových zpráv
|
Chybné položky
|
Geometrie skici nedokáže určit umístění jedné nebo více entit.
|
|
Neřešitelné položky
|
Tato geometrie skici bude neplatná v případě vyřešení skici.
|
Nastavte barvu těchto položek klepnutím na . Chcete-li změnit barvu neplatné skici, vyberte položku Skica, Neplatná geometrie v nabídce Barvy systému. Chcete-li změnit barvu neřešitelné skici, vyberte položku Skica, Nevyřešená. Klepněte na Upravit, vyberte barvu a poté klepněte na OK.
| Příklad neplatné geometrie
|
 |
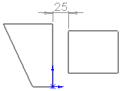
Původní skici s platnými kótami |
 |
Kóta odkazuje na entitu skici, která pro ni není platná. Neplatná položka skici je znázorněna červeně.
Kóta vytvoří neplatnou skicu, protože jejím výsledkem je čára o nulové délce.
|
 |
Možné řešení 1:
Skica byla vyřešena přetažením vynášecí čáry k platné entitě pro tuto kótu.
|
 |
Možné řešení 2:
Skica byla vyřešena změnou dolní kóty na hodnotu > 25, aby spodní vodorovná čára neměla nulovou délku.
|
| Příklad neřešitelné geometrie |
 |
Původní skica |
 |
Kóta s hodnotou 100 vytvoří neřešitelnou skicu, protože není možné, aby velikost daného rozměru přesahovala součet velikostí zbývajících stran trojúhelníku. Neřešitelná skica je znázorněna žlutou barvou.
|
 |
Možné řešení:
Skica byla vyřešena změnou kóty na řešitelnou hodnotu.
|
Možné opravy
- Přetažením změňte polohu kóty tak, aby se vztahovala k platné entitě.
- Odstraňte kóty nebo vztahy.
- Odstraňte neplatnou geometrii.
- Upravte ostatní hodnoty kót nebo geometrii tak, aby nedocházelo ke konfliktům.