Jestliže byly od posledního uložení výkresu změněny kóty v tomto výkresu, budou změněné kóty po otevření výkresu zvýrazněny. Chcete-li vidět změněné kóty, musí být díl nebo sestava a výkres uložen ve verzi SolidWorks 2012 nebo novějším. Po uložení a zavření výkresu se změněnými kótami se zvýraznění změněných kót resetuje.
 |
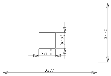
| Před změnami |
 |
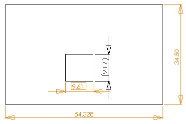
| Po změnách |
Je-li zvýrazňování zapnuto, zvýrazní se ve výkresech tyto změny:
- Změny v modelu, které způsobí změnu číselných hodnot základny
- Importované kóty, u kterých byl v modelu změněn typ tolerance nebo hodnota
- Importované kóty, u kterých došlo ke změně v nastavení Přidat závorky nebo Kontrolní kótování
- Importované kóty, u kterých došlo ke změně v nastavení Text kóty (ve výchozím nastavení <DIM>)
Chcete-li použít funkci zvýraznění, musíte nejprve uložit díl nebo sestavu a příslušný výkres ve verzi SolidWorks 2012 nebo novější. Když výkres znovu otevřete, zobrazí se zvýrazněné změny. Najedete-li ukazatelem na změněnou kótu, zobrazí se místní popis s předchozí hodnotou kóty.

|
Změněné kóty
|

|
Změněná tolerance
|