You can convert a drawing view to sketch entities or a block of sketch entities using the Convert View to Sketch PropertyManager.
To open this PropertyManager:
In a drawing view, right-click and click Convert View to Sketch.
Display State
Replace view with sketch |
Replaces the drawing view with the equivalent 2D sketch entities.
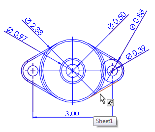
Original drawing view |
 |
Equivalent 2D sketch entities |
 |
|
Replace view with block |
Replaces the drawing view with the equivalent 2D sketch entities that are grouped in a block.
Original drawing view |
 |
Block with equivalent 2D sketch entities |

|
|
Insert as a block |
Creates a separate block comprised of equivalent 2D sketch entities that you can place anywhere in the drawing.  In this example, the block on the right is added to the drawing view, rather than replacing the drawing view on the left.
|
Insertion Point
Available when you select either Replace view with block or Insert as a block.
Inserts a point manipulator and leader in the graphics area that you can drag independently to position the block.