Expand IntroductionIntroduction
Expand AdministrationAdministration
Expand User InterfaceUser Interface
Expand SolidWorks FundamentalsSolidWorks Fundamentals
Expand Moving from 2D to 3DMoving from 2D to 3D
Expand AssembliesAssemblies
Expand CircuitWorksCircuitWorks
Expand ConfigurationsConfigurations
Expand SolidWorks CostingSolidWorks Costing
Expand Design CheckerDesign Checker
Expand Design Studies in SolidWorksDesign Studies in SolidWorks
Collapse Detailing and DrawingsDetailing and Drawings
Expand DFMXpressDFMXpress
Expand DriveWorksXpressDriveWorksXpress
Expand FloXpressFloXpress
Expand Import and ExportImport and Export
Expand Model DisplayModel Display
Expand Mold DesignMold Design
Expand Motion StudiesMotion Studies
Expand Parts and FeaturesParts and Features
Expand RoutingRouting
Expand Sheet MetalSheet Metal
Expand SimulationSimulation
Expand SimulationXpressSimulationXpress
Expand SketchingSketching
Expand Sustainability ProductsSustainability Products
Expand SolidWorks UtilitiesSolidWorks Utilities
Expand TolerancingTolerancing
Expand TolAnalystTolAnalyst
Expand ToolboxToolbox
Expand WeldmentsWeldments
Expand Workgroup PDMWorkgroup PDM
Expand TroubleshootingTroubleshooting
Glossary
Hide Table of Contents

Highlighting Changed Dimensions

When opening a drawing, if dimensions have changed since the last time the drawing was saved, the changed dimensions are highlighted. To see changed dimensions, the part or assembly and the drawing must first be saved in SolidWorks 2012 or later. After the drawing with the changed dimensions is saved and closed, the changed dimensions highlighting is reset.
prj-17319-before-changes.gif
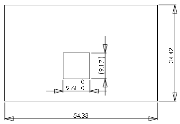
Before Changes
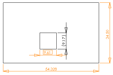
prj-17319-after-changes.gif
After Changes
With highlighting turned on, these changes are highlighted in drawings:
  • Model changes that cause base number values to change
  • Imported dimensions where the tolerance type or value has changed in the model
  • Imported dimensions where there is a change in Add Parentheses or Inspection Dimension
  • Imported dimensions where there is a change in the Dimension Text (<DIM> by default)
To use this highlighting functionality, you must first save the part or assembly and associated drawings in SolidWorks 2012 or later. When you reopen the drawing, the highlighted changes appear. If you hover over a changed dimension, a tooltip shows the previous dimension.

prj-17319-changed-dim.gif

Changed Dimensions

prj-17319-changed-tol.gif

Changed Tolerance



Provide feedback on this topic

SOLIDWORKS welcomes your feedback concerning the presentation, accuracy, and thoroughness of the documentation. Use the form below to send your comments and suggestions about this topic directly to our documentation team. The documentation team cannot answer technical support questions. Click here for information about technical support.

* Required

 
*Email:  
Subject:   Feedback on Help Topics
Page:   Highlighting Changed Dimensions
*Comment:  
*   I acknowledge I have read and I hereby accept the privacy policy under which my Personal Data will be used by Dassault Systèmes

Print Topic

Select the scope of content to print:

x

We have detected you are using a browser version older than Internet Explorer 7. For optimized display, we suggest upgrading your browser to Internet Explorer 7 or newer.

 Never show this message again
x

Web Help Content Version: SOLIDWORKS 2014 SP05

To disable Web help from within SOLIDWORKS and use local help instead, click Help > Use SOLIDWORKS Web Help.

To report problems encountered with the Web help interface and search, contact your local support representative. To provide feedback on individual help topics, use the “Feedback on this topic” link on the individual topic page.